Operation CHARM: Car repair manuals for everyone.
Manuals through 2025 now available!

Our trusted friends have launched a new website named LEMON, which has newer manuals. It also contains all the CHARM manuals.

LEMON is the spiritual successor to CHARM, I recommend you try it!

Link: lemon-manuals.la or lemon-manuals.org.ua

(Some people have issue connecting. LEMON is investigating. For now, use Firefox or change your DNS server)

Or, hide this message: temporarily or permanently

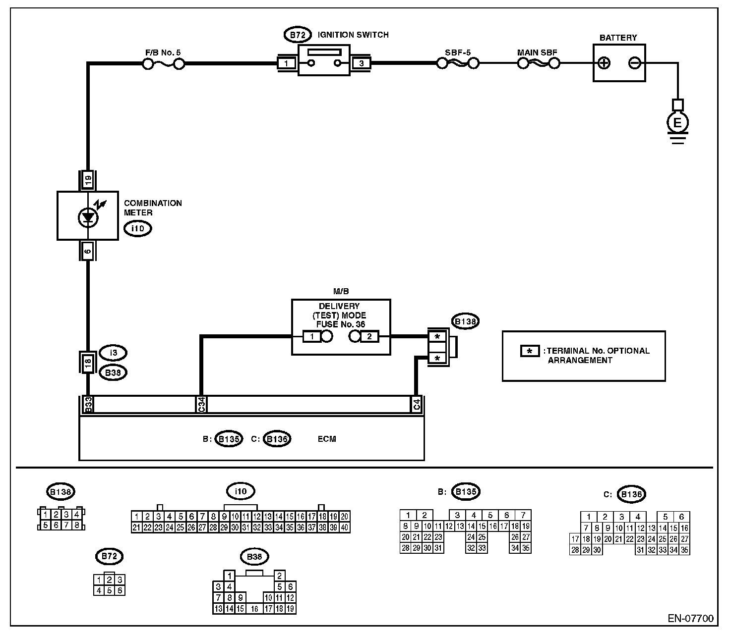
Malfunction Indicator Light Does Not Go OFF

MALFUNCTION INDICATOR LIGHT DOES NOT GO OFF

DIAGNOSIS:

The malfunction indicator light circuit is shorted.

TROUBLE SYMPTOM:

Although malfunction indicator light comes on when the engine runs, DTC is not shown on the Subaru Select Monitor display.

WIRING DIAGRAM:






Step 1: