Operation CHARM: Car repair manuals for everyone.
Manuals through 2025 now available!

Our trusted friends have launched a new website named LEMON, which has newer manuals. It also contains all the CHARM manuals.

LEMON is the spiritual successor to CHARM, I recommend you try it!

Link: lemon-manuals.la or lemon-manuals.org.ua

(Some people have issue connecting. LEMON is investigating. For now, use Firefox or change your DNS server)

Or, hide this message: temporarily or permanently

Front Sensor

Front ABS Wheel Speed Sensor

REMOVAL
1) Disconnect the ground cable from battery.
2) Disconnect the ABS wheel speed sensor connector located next to the front strut mounting house in the engine compartment.
3) Remove the sensor harness bracket.





4) Remove the bolts which secure the sensor harness to the front strut.
5) Remove the front ABS wheel speed sensor from housing.

CAUTION:
^ Be careful not to damage the sensor.
^ Do not apply excessive force to the sensor harness.






INSTALLATION
Install in the reverse order of removal.
Tightening torque:
Sensor.
7.5 N.m (0.76 kgf-m, 5.5 ft-lb)
Bracket:
33 N.m (3.4 kgf-m, 24.3 ft-lb)

CAUTION:
Be careful not to damage the sensor.


NOTE:
^ Check the identification (mark) on the harness to make sure there is no warpage. (RH: K1 (White), LH: K2 (Yellow))
^ Check if the harness is not pulled and does not come in contact with the suspension or body during steering wheel effort.

INSPECTION

CHECK WITH SUBARU SELECT MONITOR
1) Connect the Subaru Select Monitor to data link connector.
2) Select (Current Data Display & Save). Check if the speed indicated on the display changes in the same manner as the speedometer reading during acceleration/deceleration when the steering wheel is in the straight-ahead position.
3) If the speed indicated on the display does not change, check the ABS wheel speed sensor.

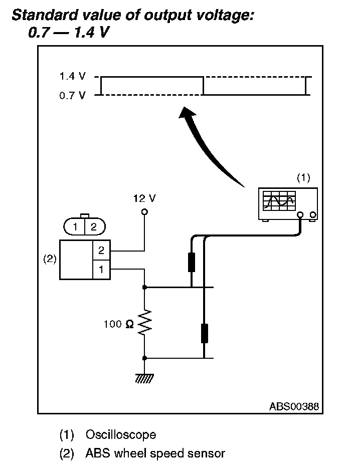
ABS WHEEL SPEED SENSOR
1) Check the tip of the ABS wheel speed sensor for foreign particles or damage. If necessary, clean the tip or replace the ABS wheel speed sensor.
2) Connect a 12 V power supply to No. 2 terminal of sensor connector as shown in the figure, then attach resistance to the No. 1 terminal. Rotate the wheel at about 2.75 km/h (2 MPH), and measure the voltage using an oscilloscope.





NOTE:
Check the ABS wheel speed sensor cable for discontinuity. If necessary, replace with a new part.