Operation CHARM: Car repair manuals for everyone.
Manuals through 2025 now available!

Our trusted friends have launched a new website named LEMON, which has newer manuals. It also contains all the CHARM manuals.

LEMON is the spiritual successor to CHARM, I recommend you try it!

Link: lemon-manuals.la or lemon-manuals.org.ua

(Some people have issue connecting. LEMON is investigating. For now, use Firefox or change your DNS server)

Or, hide this message: temporarily or permanently

Part 1

Installation





1. Oil pan SUB-ASSY installation
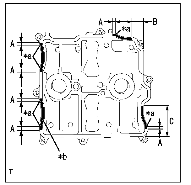
(1) Apply THREE BOND 1217G to the mating surface of oil pan SUBASSY as shown in the figure.

Captions in illustration





CAUTION:
^ Clean and degrease the installation surface.
^ Install within 5 min. after applying liquid gasket.
^ Apply liquid gasket 1.5 mm {0.0591 in} outside from the groove on the oil pan SUB-ASSY. However, application of liquid gasket on the groove around the bolt hole is allowed.






(2) Install three new O-rings to the cylinder block.





(3) Tighten the 13 bolts (A and B) in the order as shown in the figure to install the oil pan SUB-ASSY to the cylinder block.
Standard value:T=18Nm {184kgf-cm}

Captions in illustration








NOTE:
After tightening, if the liquid gasket is squeezed out onto the seal surface of timing chain/belt cover SUB-ASSY, completely remove any squeezed-out liquid gasket.

2. Oil strainer SUB-ASSY installation
(1) Install a new O-ring.





(2) Install the oil strainer SUB-ASSY to the oil pan SUB-ASSY with the two bolts.
Standard value:T=6.4Nm {65kgf-cm} {4.7ft-lbf}





3. Oil pan SUB-ASSY NO. 2 installation
(1) Install two new oil pan seal rings to the oil pan SUB-ASSY NO. 2.





(2) Apply THREE BOND 1217G to the mating surface of oil pan SUBASSY for the oil pan SUB-ASSY NO. 2 as shown in the figure.

Captions in illustration





CAUTION:
^ Clean and degrease the installation surface.
^ Install within 5 min. after applying liquid gasket.






(3) Tighten the 11 bolts in the order as shown in the figure to install the oil pan SUB-ASSY NO. 2.
Standard value:T=6.4Nm {65kgf-cm} {4.7ft-lbf}





4. Engine hanger NO. 2 installation





(1) Install the engine hanger NO. 2 to the cylinder block (bank 1 side) with the two bolts.
Standard value:T=21Nm {214kgf-cm} {15.5ft-lbf}
5. Cylinder head gasket NO. 2 installation
6. Cylinder head LH installation
7. Camshaft housing SUB-ASSY LH installation
(1) Apply engine oil to the valve adjusting shim and roller rocker arm pivot, and install them to the cylinder head LH.





(2) Apply engine oil to the eight valve rocker arm SUB-ASSYs NO. 1 and two new O-rings, and install them to the cylinder head LH.
(3) Apply THREE BOND 1217G to the mating surface of camshaft housing SUB-ASSY LH as shown in the figure.





Captions in illustration





CAUTION:
^ Clean and degrease the installation surface.
^ Do not apply liquid gasket excessively.
^ Install within 5 min. after applying liquid gasket.
^ Completely remove any liquid gasket that is squeezed out on the installation surface of timing chain/belt cover SUB-ASSY.






(4) Tighten the 9 bolts in the order as shown in the figure to install the camshaft housing SUB-ASSY LH.
Standard value:T=18Nm {184kgf-cm} {13.3ft-lbf}





NOTE:
Set the intake camshaft LH and exhaust camshaft LH to the zero-lift position.





(5) Loosen the three bolts by 180° in the order as shown in the figure.





(6) Tighten the three bolts in the order as shown in the figure.
Standard value:T=18Nm {184kgf-cm} {13.3ft-lbf}





(7) Loosen the three bolts by 180° in the order as shown in the figure.





(8) Tighten the three bolts in the order as shown in the figure.
Standard value:T=18Nm {184kgf-cm} {13.3ft-lbf}





(9) Loosen the three bolts by 180° in the order as shown in the figure.





(10) Tighten the three bolts in the order as shown in the figure.
Standard value:T=18Nm {184kgf-cm} {13.3ft-lbf}

NOTE:
After tightening, if the liquid gasket is squeezed out onto the seal surface of timing chain/belt cover SUB-ASSY, completely remove any squeezed-out liquid gasket.





8. Cylinder head cover SUB-ASSY LH installation
(1) Apply a coat of engine oil to two new spark plug tube gaskets and insert them onto the spark plug tube edge.

Captions in illustration





(2) Install a new cylinder head cover gasket NO. 2 to the cylinder head cover SUB-ASSY LH.





(3) Apply THREE BOND 1217G to the mating surface of cylinder head cover SUB-ASSY LH as shown in the figure.





Captions in illustration








(4) Set the cylinder head cover SUB-ASSY LH and tighten the eight bolts in the order as shown in the figure.
Standard value:T=6.4Nm {65kgf-cm} {4.7ft-lbf}
9. Cylinder head gasket installation
10. Cylinder head SUB-ASSY installation
11. Camshaft housing SUB-ASSY RH installation





(1) Apply engine oil to the valve adjusting shim and roller rocker arm pivot, and install them to the cylinder head SUB-ASSY.





(2) Apply engine oil to the eight valve rocker arm SUB-ASSYs NO. 1 and two new O-rings, and install them to the cylinder head SUBASSY.

(3) Apply THREE BOND 1217G to the mating surface of camshaft housing SUB-ASSY RH as shown in the figure.





Captions in illustration





CAUTION:
^ Clean and degrease the installation surface.
^ Do not apply liquid gasket excessively.
^ Install within 5 min. after applying liquid gasket.
^ Completely remove any liquid gasket that is squeezed out on the installation surface of timing chain/belt cover SUB-ASSY.






(4) Tighten the 9 bolts in the order as shown in the figure to install the camshaft housing SUB-ASSY RH.
Standard value:T=18Nm {184kgf-cm} {1.3.3ft-lbf}





NOTE:
Set the intake camshaft RH and exhaust camshaft RH to the zero-lift position.





(5) Loosen the three bolts by 180° in the order as shown in the figure.





(6) Tighten the three bolts in the order as shown in the figure.
Standard value:T=18Nm {184kgf-cm} {13.3ft-lbf}





(7) Loosen the three bolts by 180° in the order as shown in the figure.





(8) Tighten the three bolts in the order as shown in the figure.
Standard value:T=18Nm {184kgf-cm} {1.3.3ft-lbf}





(9) Loosen the three bolts by 180° in the order as shown in the figure.





(10) Tighten the three bolts in the order as shown in the figure.
Standard value:T=18Nm {184kgf-cm} {13.3ft-lbf}

NOTE:
After tightening, if the liquid gasket is squeezed out onto the seal surface of timing chain/belt cover SUB-ASSY, completely remove any squeezed-out liquid gasket.





12. Cylinder head cover SUB-ASSY installation
(1) Apply a coat of engine oil to two new spark plug tube gaskets and insert them onto the spark plug tube edge.

Captions in illustration





(2) Install a new cylinder head cover gasket to the cylinder head cover SUB-ASSY.





(3) Apply THREE BOND 1217G to the mating surface of cylinder head cover SUB-ASSY as shown in the figure.





Captions in illustration








(4) Set the cylinder head cover SUB-ASSY and tighten the eight bolts in the order as shown in the figure.
Standard value:T=6.4Nm {65kgf-cm} {4.7ft-lbf}





13. Injector driver bracket installation
(1) Install the injector driver bracket with the two bolts.
Standard value:T=6.4Nm {65kgf-cm} {4.7ft-lbf}
14. Ignition coil ASSY installation (bank 1 side)
(1) Install the ignition coil ASSY with the two bolts.
Standard value:T=8.5Nm {87kgf-cm} {6.3ft-lbf}
15. Ignition coil ASSY installation (bank 2 side)
(1) Install the ignition coil ASSY with the two bolts.
Standard value:T=8.5Nm {87kgf-cm} {6.3ft-lbf}
16. Crankshaft timing gear/sprocket installation
(1) Install the crankshaft timing gear/sprocket.
17. Chain SUB-ASSY installation (bank 2 side)
18. Chain SUB-ASSY installation (bank 1 side)
19. Timing chain/belt cover SUB-ASSY installation
20. Timing chain/belt cover oil seal installation
21. Crankshaft pulley installation
22. Thermostat installation
23. Water outlet installation
24. Engine water pump ASSY installation
25. Water pump pulley installation
26. Idler pulley SUB-ASSY NO. 1 installation
27. Ventilation valve SUB-ASSY installation
28. Crankshaft position sensor installation
(1) Install the crankshaft position sensor with the bolt.
Standard value:T=6.4Nm {65kgf-cm} {4.7ft-lbf}





29. Knock control sensor installation
(1) Install the two knock control sensors in the direction shown in the figure with the two bolts.
Standard value:T=24Nm {245kgf-cm} {17.7ft-lbf}

Captions in illustration