Operation CHARM: Car repair manuals for everyone.
Manuals through 2025 now available!

Our trusted friends have launched a new website named LEMON, which has newer manuals. It also contains all the CHARM manuals.

LEMON is the spiritual successor to CHARM, I recommend you try it!

Link: lemon-manuals.la or lemon-manuals.org.ua

(Some people have issue connecting. LEMON is investigating. For now, use Firefox or change your DNS server)

Or, hide this message: temporarily or permanently

Component Tests and General Diagnostics

On-vehicle inspection

NOTE:
^ The following check is performed with the starter mounted on the vehicle to measure the contact condition of starter magnet switch contact (hereinafter referred to as contact) electrically during engine cranking for check.
^ If the contact is faulty, its contact resistance is too high and the time required for the contact to switch ON completely is long.
1. Starter ASSY check
(1) Contact resistance measurement method

NOTE:
^ With the contact resistance measurement method, the resistance when the starter is energized is measured and the resistance increases when the contact is worn and its contact condition degrades.
^ Since the contact resistance cannot be measured directly, it is calculated from the starter driving current and the voltage between the terminals.

(a) Check the diagnostic code.

CAUTION:
When a diagnostic code is detected, perform troubleshooting by code.






(b) Move the lock lever in the direction of arrow to unlock the three connectors.
Disconnect the three connectors with lock and normal connector from the injector driver.

Captions in illustration








(c) Remove the three bolts and remove the injector driver.





(d) Remove the two bolts and remove the intake manifold protector (bank 1 side).





(e) Disconnect the two connectors of fuel injector.
(f) Install the intake manifold protector (bank 1 side) with the two bolts.
Standard value:T=19Nm {194kgf-cm} {14.0ft-lbf}





(g) Install the injector driver with the three bolts.
Standard value:T=6.4Nm {65kgf-cm} {4.7ft-lbf}

NOTE:
Leave the two upper connectors of injector driver disconnected.





(h) Remove the two bolts and remove the intake manifold protector (bank 2 side).





(i) Disconnect the two connectors of fuel injector.





(j) Measure the starter driving current while cranking at the position A in the figure five times. Calculate the average and record it.

Captions in illustration





NOTE:
^ Since the current generated by the generator may be measured depending on the measurement position, make sure that the current displayed on the electrical tester is within the range shown in the table and the starter driving current is measured properly.





^ The starter driving current in the table indicates the reference value when the engine is hot.





^ Perform the cranking for about 2 seconds and then read the value when the current indicated on the circuit tester stabilizes.
^ Since the vehicle with the smart entry & start system is equipped with the cranking hold control, cranking is continued for a certain period of time when the engine does not start. To stop cranking, press the push button start switch again.

Captions in illustration





(k) Disconnect the battery ground terminal.





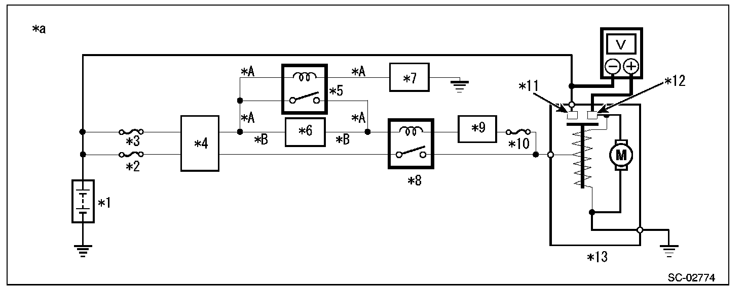
(l) Set the digital tester between the starter terminal M and engine wiring No. 2.

Captions in illustration





CAUTION:
Be careful not to short the terminal +B.


NOTE:
Attach alligator clips to the leads of electrical tester and secure them on the terminal M and the battery positive terminal side.

(m) Connect the battery negative terminal.
Standard value:T=6.0Nm {61kgf-cm} {4.4ft-lbf}
(n) Measure the voltage between the starter terminal M and engine wiring No. 2 while cranking 20 times.





Captions in illustration





CAUTION:
^ Be careful not to short the terminal +B.
^ If the starter cannot be stopped while the measurement, remove the battery negative terminal to stop the starter, and then check the push button start switch or ignition (starter) switch ASSY, starter relay, starter ASSY and wiring harness. Replace the faulty parts.


NOTE:
^ Since the contact conditions of moving contacts and fixed contacts vary during the operation, it is necessary to measure about 20 times.





^ Perform the cranking for about 2 seconds and then read the value when the voltage indicated on the circuit tester stabilizes.
^ Since the vehicle with the smart entry & start system is equipped with the cranking hold control, cranking is continued for a certain period of time when the engine does not start. To stop cranking, press the push button start switch again.

Captions in illustration








(o) Calculate the voltage between the starter terminals from the measurement values above.

How to calculate the standard value





Calculation example





Standard value: Measurement voltage (mV) is equal to or less than standard value (mV).

NOTE:
Replace the starter contact if the measurement value exceeds the standard value even once among the 20 measurements.

Captions in illustration





(p) Disconnect the battery ground terminal.





(q) Remove the three bolts and remove the injector driver.





(r) Remove the two bolts and remove the intake manifold protector (bank 1 side).





(s) Connect the two connectors of fuel injector.
(t) Install the intake manifold protector (bank 1 side) with the two bolts.
Standard value:T=19Nm {194kgf-cm} {14.0ft-lbf}





(u) Install the injector driver with the three bolts.
Standard value:T=6.4Nm {65kgf-cm} {4.7ft-lbf}





(v) Connect the three connectors with lock to the injector driver. Move the lock lever as shown in the figure to lock the three connectors with lock.

Captions in illustration





CAUTION:
The connectors with lock must be connected and locked securely.






(w) Connect the two connectors of fuel injector.





(x) Install the intake manifold protector (bank 2 side) with the two bolts.
Standard value:T=19Nm {194kgf-cm} {14.0ft-lbf}
(y) Connect the battery negative terminal.
Standard value:T=6.0Nm {61kgf-cm} {4.4ft-lbf}
(z) Make sure that there is no influence on the engine startability and after the engine is started.