Operation CHARM: Car repair manuals for everyone.
Manuals through 2025 now available!

Our trusted friends have launched a new website named LEMON, which has newer manuals. It also contains all the CHARM manuals.

LEMON is the spiritual successor to CHARM, I recommend you try it!

Link: lemon-manuals.la or lemon-manuals.org.ua

(Some people have issue connecting. LEMON is investigating. For now, use Firefox or change your DNS server)

Or, hide this message: temporarily or permanently

Fail Safe List

Fail Safe List

1. Power window fail safe

NOTE: If any malfunction occurs on the pulse sensor in the power window regulator motor ASSY RH (driver's seat) and the power window regulator motor ASSY LH (passenger's seat), the fail safe function is triggered.

1. If any malfunction occurs on the pulse sensor for the auto-reverse function trigger, or any irregularity exists on window position or learned value, the following power window operations are prohibited.










If pulse sensor is normal, fully close the window with manual operation (AUTO UP HOLD), and keep this operation for 1 second or more. This will cancel the fail safe and enable the AUTO operation.

a. SW knob indicator control

NOTE: In normal operation (the fail safe is not active), knob indicator illuminates as shown in the diagram.

1. driver's seat







2. passenger's seat







2. Initial failure

NOTE: If window position or initialization finished status is failed to be read normally from the EEPROM, the following power window operations are prohibited.










a. SW knob indicator control

NOTE: During the initialization, if fail safe mode is activated because window position or initialization finished status is failed to be read normally from the EEPROM, SW knob indicator illuminates as shown in the diagram.

1. driver's seat:







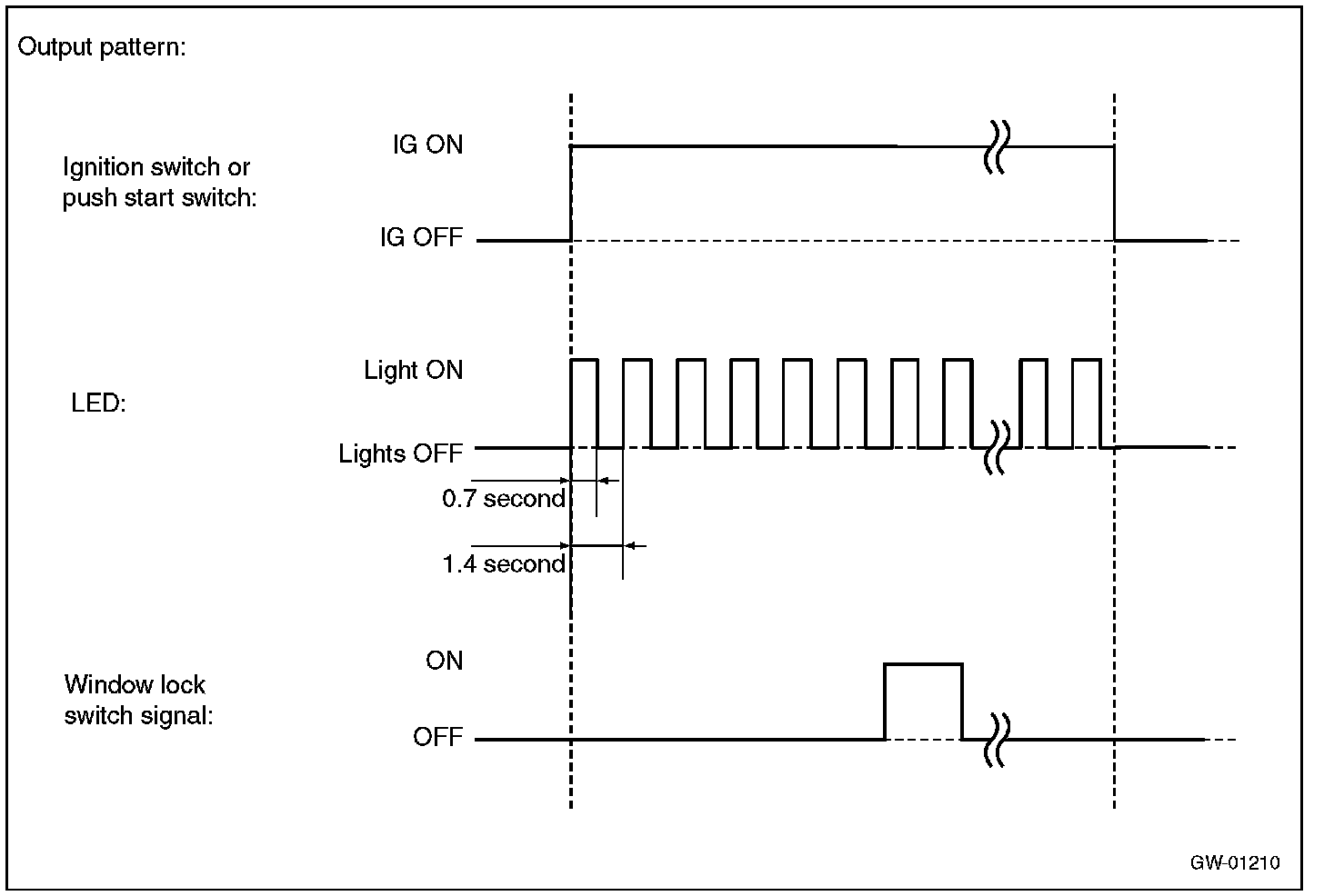
NOTE: When LIN communication is failed, the indicator blinks in a pattern of 1.4 seconds ON/1.4 seconds OFF. When LIN failure and other failure occurs simultaneously, the pattern of 0.7 seconds ON/0.7 seconds OFF is performed.

2. passenger's seat







3. If LIN communication has any abnormality (communication fail), the power window operates as follows.










Does not operate remotely.

4. If LIN communication abnormality and pulse irregularity are detected simultaneously, the power window operates as follows.










Own seat's SW operation: Because LIN communication is in failure, the status of the IG signal is unknown, therefore UP operation without auto-reverse function control is prohibited.
Remote SW operation: Inoperable because LIN communication is failed.

5. If LIN communication abnormality and opening direction dead band deviation or LIN communication and initial failure are detected simultaneously, the power window operates as follows.







Remote control switch operation: Inoperable because LIN communication is failed.