Operation CHARM: Car repair manuals for everyone.
Manuals through 2025 now available!

Our trusted friends have launched a new website named LEMON, which has newer manuals. It also contains all the CHARM manuals.

LEMON is the spiritual successor to CHARM, I recommend you try it!

Link: lemon-manuals.la or lemon-manuals.org.ua

(Some people have issue connecting. LEMON is investigating. For now, use Firefox or change your DNS server)

Or, hide this message: temporarily or permanently

Front Differential Assembly

Front Differential Assembly

REMOVAL

1) Remove the transmission assembly from the vehicle.
2) Pull out the torque converter assembly.
3) Remove the transmission harness connector from stay.
4) Remove the ATF cooler inlet pipe and outlet pipe.
5) Separate the converter case from the transmission case.
6) Remove the differential side retainers using ST.

NOTE:
Hold the differential case assembly by hand to avoid damaging the differential side retainer mounting hole of the converter case.

ST 18630AA010 WRENCH COMPL RETAINER
7) Remove the front differential assembly while being careful not to damage the attachment part of the retainer.

INSTALLATION

1) When installing the front differential assembly to the case, be careful not to damage the inside of case (particularly, the differential side retainer mating surface).





2) Install the O-ring to left and right side retainers.

NOTE:
Use new O-rings.

3) Using the ST, install the side retainer.
ST 18630AA010 WRENCH COMPL RETAINER
4) Adjust the backlash of the front differential.
5) Install the lock plate.

Tightening torque:
25 Nm (2.5 kgf-m, 18.4 ft-lb)





6) Install the converter case to the transmission case.
7) Install the transmission harness connector to the stay.
8) Install the ATF cooler pipe.
9) Install the torque converter assembly.
10) Install the transmission assembly to the vehicle.

DISASSEMBLY

DIFFERENTIAL CASE ASSEMBLY

1) Remove the taper roller bearing using the ST and the press.
ST 498077000 REMOVER





2) Secure the case in a vise, remove the hypoid driven gear tightening bolts, and then separate the hypoid driven gear into case (RH) and case (LH).





3) Pull out the straight pin and shaft, and then remove the differential bevel gear, washer and differential bevel pinion.





SIDE RETAINER

NOTE:
After adjusting the drive pinion backlash and tooth contact, remove and install the oil seal and O-ring.

1) Remove the O-ring.





2) Remove the oil seal.





3) Remove the bearing outer race.
(1) Remove the split pin, and then remove the claw.
ST 398527700 PULLER ASSY





(2) Attach two claws to the outer race, and set the ST to side retainer.
ST 398527700 PULLER ASSY





(3) Restore the removed claws to original position, and install the pin and split pin.
(4) Hold the shaft of ST to avoid removing from side retainer, and then remove the bearing outer race.

NOTE:
Replace the bearing inner and outer races as a single unit.

ST 398527700 PULLER ASSY





ASSEMBLY

DIFFERENTIAL CASE ASSEMBLY

1) Install the washer, differential bevel gear and differential bevel pinion in the differential case (RH). Insert the pinion shaft.
2) Attach the straight pin in the reverse direction.





3) Install the washer and differential bevel gear to differential case (LH). Put the differential case (LH) on the differential case (RH), and assemble the two differential cases.
4) Install the hypoid driven gear and secure by tightening the bolt.

Tightening torque:
70 Nm (7.1 kgf-m, 51.6 ft-lb)





5) Measurement of backlash (Selection of washer)
(1) Install the SUBARU genuine axle shaft to differential case.
Part No. 38415AA070 Axle shaft
(2) Measure the gear backlash using ST1 and ST2, and then insert the ST2 through the access window of differential case.

NOTE:
^ Measure the backlash by applying a differential bevel pinion tooth between two differential bevel gear teeth.
^ When measuring, fix the differential bevel pinion gear in place with a screwdriver covered with waste cloth, or a similar tool.

Standard:
0.13 - 0.18 mm (0.0051 - 0.0071 in)

ST1 498247001 MAGNET BASE
ST2 498247100 DIAL GAUGE





(3) If the backlash is not within specification, select a washer from the table below.





6) Using the ST, install the taper roller bearing.
ST 398487700 DRIFT

SIDE RETAINER

NOTE:
Install the oil seal and O-ring of side retainer after the adjustment of backlash and tooth contact.

1) Install the bearing outer race to side retainer.
2) Using the ST, install the oil seal.

NOTE:
^ Use a new oil seal.
^ Apply gear oil to the oil seal lips, and install the oil seal while being careful not to deform the lip.
^ Check the identification marks (L, R) during installation not to mix up the oil seal RH and LH.

ST 18675AA000 DIFFERENTIAL SIDE OIL SEAL INSTALLER





3) Install a new O-ring.





INSPECTION

^ Check each component for scratches, damage or other faults.
^ Measure the backlash, and then adjust it to be within specification.

ADJUSTMENT

1) Using the ST, screw-in the retainer until resistance is felt.

NOTE:
Screw-in the retainer RH side slightly deeper than the retainer LH.

ST 18658AA020 WRENCH COMPL RETAINER
2) Remove the oil pump cover.
3) Remove the liquid gasket from the mating surface completely.
4) Install the oil pump cover to converter case, and secure them with tightening four bolts evenly.

NOTE:
Use an old gasket or aluminum washer to prevent damaging the mating surface of the housing.

Tightening torque:
41 Nm (4.2 kgf-m, 30.2 ft-lb)

5) Rotate the drive pinion ten times or more using ST1 and ST2.
ST1 18667AA010 HOLDER
ST2 499787700 WRENCH





6) Tighten the LH retainer by rotating the shaft until resistance is felt. Then loosen the retainer RH.
Keep tightening the retainer LH, and loosening the retainer RH until the pinion shaft no longer be turned. This is the "zero" state.





7) After the "zero" state is established, loosen the retainer LH by 3 notches and secure it with the lock plate. Then loosen the retainer RH and retighten until it stops. Rotate the drive pinion 2 or 3 times. Tighten the retainer RH further 1-3/4 notches. This sets the preload. Finally, secure the retainer with its lock plate.





NOTE:
Turning the retainer by one notch (A) changes the backlash approx. 0.05 mm (0.0020 in).





8) Install the SUBARU genuine axle shaft to the left and right sides of the front differential.
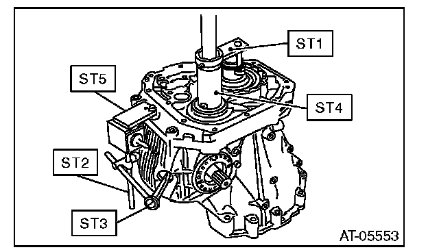
9) Turn the drive pinion a few times with ST1 and check to see if the backlash is within the specified value, using ST2, ST3, ST4 and ST5.

NOTE:
Secure the ST1 and stator shaft with the tie-wrap.

Backlash:
0.13 - 0.18 mm (0.0051 - 0.0071 in)

ST1 499787700 WRENCH
ST2 498247001 MAGNET BASE
ST3 498247100 DIAL GAUGE
ST4 499787500 ADAPTER
ST5 498255400 PLATE





10) Adjust the teeth contact of the front differential and drive shaft.