Operation CHARM: Car repair manuals for everyone.
Manuals through 2025 now available!

Our trusted friends have launched a new website named LEMON, which has newer manuals. It also contains all the CHARM manuals.

LEMON is the spiritual successor to CHARM, I recommend you try it!

Link: lemon-manuals.la or lemon-manuals.org.ua

(Some people have issue connecting. LEMON is investigating. For now, use Firefox or change your DNS server)

Or, hide this message: temporarily or permanently

Scan Tool Testing and Procedures

Subaru Select Monitor

OPERATION

HOW TO USE SUBARU SELECT MONITOR

1) Prepare the Subaru Select Monitor kit.





2) Prepare PC with Subaru Select Monitor installed.
3) Connect the USB cable to SDI (Subaru Diagnosis Interface) and USB port on the personal computer (dedicated port for the Subaru Select Monitor).

NOTE:
The dedicated port for the Subaru Select Monitor means the USB port which was used to install the Subaru Select Monitor.

4) Connect the diagnosis cable to SDI.
5) Connect SDI to data link connector located in the lower portion of the instrument panel (on the driver's side).





CAUTION:
Do not connect the scan tools other than the Subaru Select Monitor.

6) Start the PC.
7) Turn the ignition switch to ON (engine OFF) and run the "PC application for Subaru Select Monitor".

NOTE:
For detailed operation procedures, refer to "PC application help for Subaru Select Monitor".

8) If VDC and Subaru Select Monitor cannot communicate, check the communication circuit.
9) Record the DTC and data.

READ CURRENT DATA

1) On [[Main Menu]] display, select {Each System Check}.
2) On [[System Selection Menu]] display, select {Brake Control System}.
3) Click the [OK] button after {VDC} is displayed.
4) On [[Brake Control Diagnosis]] display, select {Current Data Display & Save}.
5) On [[Data Display Menu]] display, select the data display method.
6) Using the scroll key, scroll the display screen up or down until necessary data is shown.
^ A list of the support data is shown in the following table.





NOTE:
For details concerning the operation procedure, refer to "PC application help for Subaru Select Monitor".

FUNCTION CHECK





FREEZE FRAME DATA

NOTE:
^ Data stored at the time of trouble occurrence is shown on display.
^ Each time a trouble occurs, the latest information is stored in the freeze frame data in memory.





INSPECTION

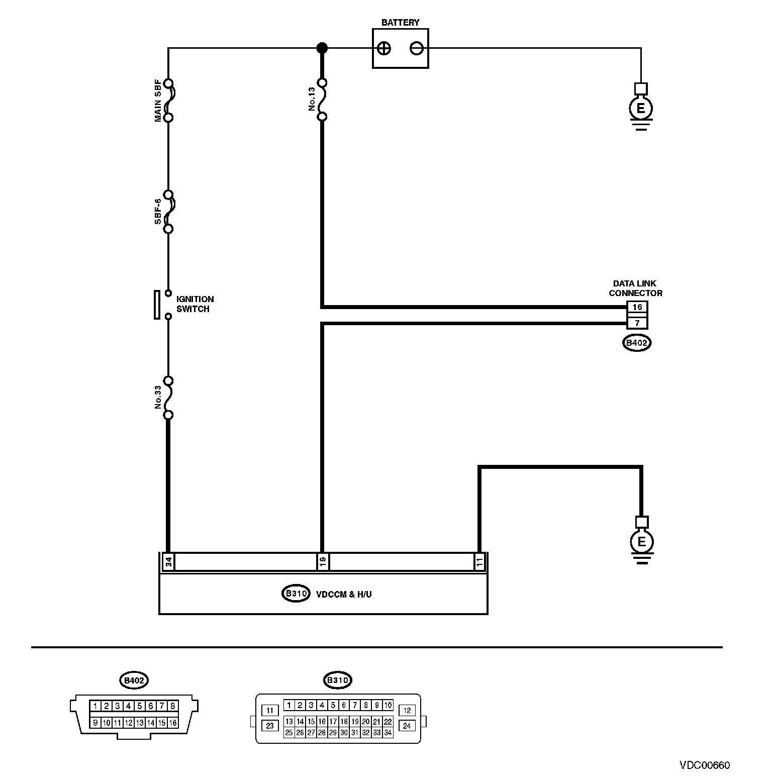
COMMUNICATION FOR INITIALIZING IMPOSSIBLE

DETECTING CONDITION:
Defective harness connector

TROUBLE SYMPTOM:
Communication is impossible between VDC and Subaru Select Monitor.

WIRING DIAGRAM: