Operation CHARM: Car repair manuals for everyone.
Manuals through 2025 now available!

Our trusted friends have launched a new website named LEMON, which has newer manuals. It also contains all the CHARM manuals.

LEMON is the spiritual successor to CHARM, I recommend you try it!

Link: lemon-manuals.la or lemon-manuals.org.ua

(Some people have issue connecting. LEMON is investigating. For now, use Firefox or change your DNS server)

Or, hide this message: temporarily or permanently

Power Window Switch: Testing and Inspection

INSPECTION

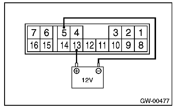
1. MAIN SWITCH

Measure the switch resistance.







NOTE:
- Make sure the battery voltage is applied to the terminal No. 13 (+) and 5 (-) when measuring resistance, because the main switch is controlled by microcomputer.
- Make sure that the window lock switch is measured in the UNLOCK position.







2. SUB-SWITCH

Measure the switch resistance.







Replace the sub-switch if faulty.