Operation CHARM: Car repair manuals for everyone.
Manuals through 2025 now available!

Our trusted friends have launched a new website named LEMON, which has newer manuals. It also contains all the CHARM manuals.

LEMON is the spiritual successor to CHARM, I recommend you try it!

Link: lemon-manuals.la or lemon-manuals.org.ua

(Some people have issue connecting. LEMON is investigating. For now, use Firefox or change your DNS server)

Or, hide this message: temporarily or permanently

System Diagnosis and Testing

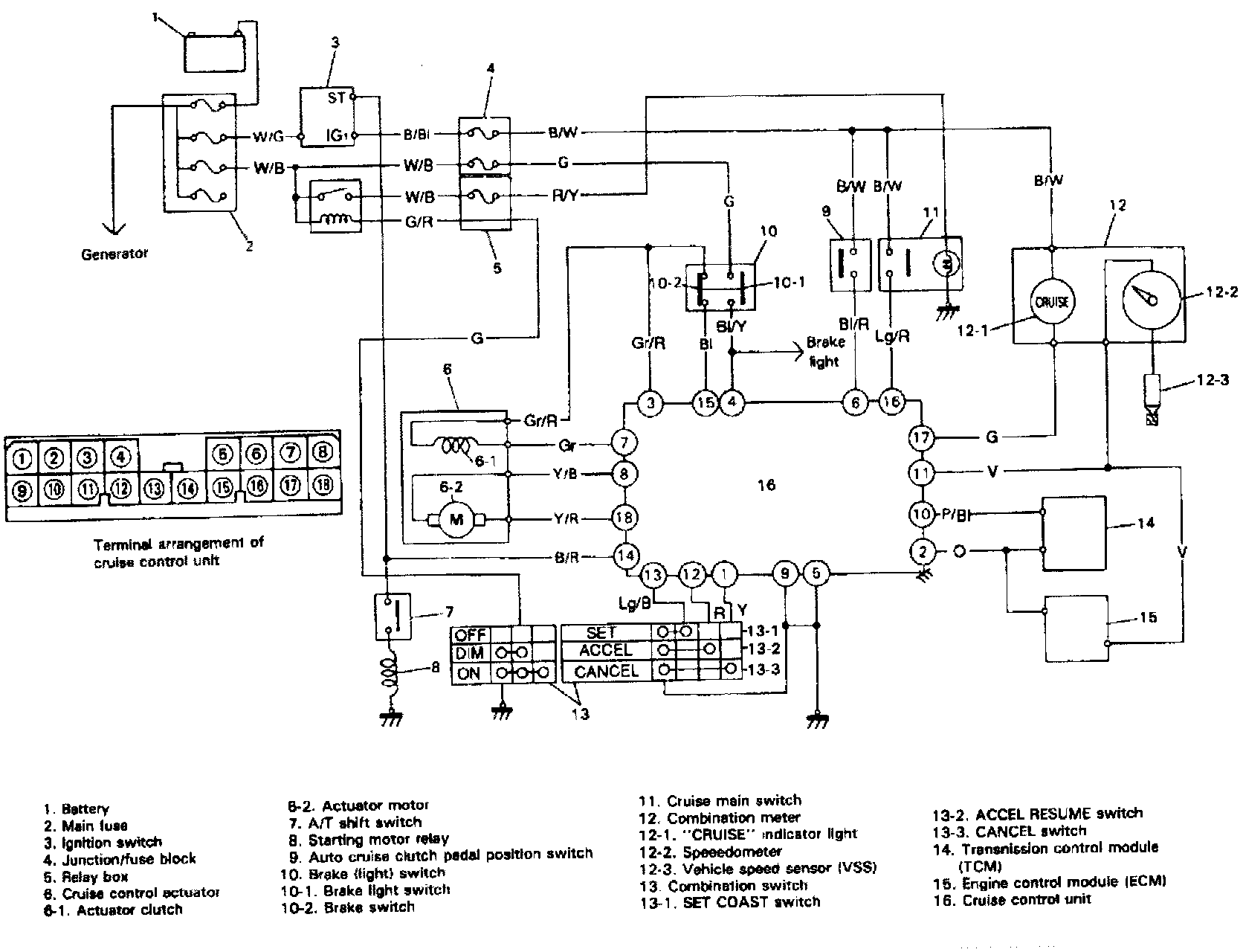
Fig. 9 Cruise Control System Wiring Diagram:




Fig. 4 Control Unit Electrical Connector Terminal Identification.:




When performing system diagnosis and testing refer to wiring diagrams, Fig. 9, and control unit electrical connector terminal identification diagram, Fig. 12.

INDICATOR LIGHT CIRCUIT
1. With ignition switch in the On position, check voltage between terminal 17 of control unit connector and ground, Fig. 12.
2. Circuit is good if within 10-14 volts.
3. If not test lead wires, connectors, fuses, if good replace indicator light bulb.

SHIFT SWITCH CIRCUIT
1. Check resistance between terminal 14 of control unit electrical connector and ground, Fig. 12, with shift lever set in "P" or "N" range and main switch On.
2. If continuity exist, then shift switch is in good condition.
3. If not check lead wires, grounds and electrical connectors.
4. If these items are in good condition, then check shift switch for continuity, refer to Component Diagnosis and Testing.


SET COAST/ACCEL/RESUME/CANCEL SWITCH CIRCUIT
1. Check continuity between the following terminals:
a. With "ACCEL/RESUME" switch in the On position, terminal 12 of control unit electrical connector and ground, Fig. 12.
2. If no continuity exist, then check wires and electrical connectors. If circuit is good, then test switch, refer to Component Diagnosis and Testing.


VEHICLE SPEED SENSOR CIRCUIT
1. Check continuity between terminal 11 of control unit electrical connector and ground, Fig. 12, while proceeding as follows:
a. Raise and support rear of vehicle.
b. Turn rear left tire slowly with right rear tire locked.
c. Check ohmmeter for deflection between infinity and omega, 2-3 pulses for each tire revolution.
2. If continuity occurs as outlined above, then speed sensor circuit is good.
3. If not test wires and electrical connectors. If they are good test speed sensor, refer to Component Diagnosis and Testing.

CRUISE MAIN SWITCH CIRCUIT
1. With cruise and main switch in the On position, check voltage between terminal 16 of control unit electrical connector and ground Fig. 12.
2. If within 10-14 volts, then switch circuit is good.
3. If not check wires, grounds and electrical connectors.
4. If good, check cruise main switch, refer to Component Diagnosis and Testing.


BRAKE LIGHT SWITCH CIRCUIT
1. With brake pedal depressed check voltage between terminal 4 of control unit electrical connector.
2. If within 10-14 volts, brake light switch circuit is good.
3. If not check wires, connectors and fuses.
4. If good, then check brake light switch, refer to Component Diagnosis and Testing.

ACTUATOR CIRCUIT
1. Check resistance between terminal 3 and 7 of control unit electrical connector, Fig. 12.
2. If with 15 ohms plus or minus 3 ohms, then actuator circuit is good.
3. If not check wires and electrical connectors.
4. If good, then check actuator, refer Component Diagnosis and Testing.

BRAKE SWITCH CIRCUIT
1. Check continuity between terminals 3 and 15 of control unit electrical connector, Fig. 12.
2. If continuity exist then the circuit is good.
3. If not check wires and connectors of each relate circuit.
4. If good, then check brake switch, refer Component Diagnosis and Testing.


COOLANT TEMPERATURE SWITCH CIRCUIT
1. With ignition switch in the On position, check voltage between terminal 10 and ground, Fig. 12.
2. With engine temperature below 77°F voltage should read 0-1 volt.
3. With engine temperature above 86°F voltage should read 10-14 volts.

THROTTLE VALVE OPENING CIRCUIT
1. Check voltage between terminal 2 and body ground, Fig. 12.

Fig. 5 Throttle Valve Opening Signal Circuit Test.:




2. If duty signal appears, Fig. 14, then throttle valve opening signal is good.
3. If not then check wires, fuses, electrical connectors and ECM.


CRUISE CONTROL UNIT CIRCUIT

Fig. 6 Cruise Control Unit Voltage Test.:




Fig. 7 Cruise Control Unit Resistance Test.:




1. Disconnect cruise control unit connector from control unit, then perform voltage test, Fig. 15, and resistance test, Fig. 16.
2. If all items within system are in good condition and cruise control system fails to operate properly, then replace control unit.