Operation CHARM: Car repair manuals for everyone.
Manuals through 2025 now available!

Our trusted friends have launched a new website named LEMON, which has newer manuals. It also contains all the CHARM manuals.

LEMON is the spiritual successor to CHARM, I recommend you try it!

Link: lemon-manuals.la or lemon-manuals.org.ua

(Some people have issue connecting. LEMON is investigating. For now, use Firefox or change your DNS server)

Or, hide this message: temporarily or permanently

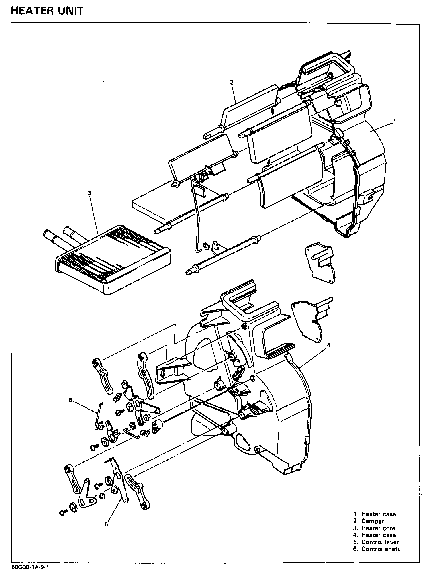
Heater Core: Service and Repair

Heater Unit Removal & Installation





WARNING:
Failure to follow the following procedure and WARNING may cause air bag deployment, personal injury. damage to parts, or air bag being unable to deploy.

Never rest a steering column assembly on steering wheel with air bag (inflator) module face down and column vertical.
When handling the air bag (inflator) modules (driver and passenger), be careful not to drop it or apply an impact to it. If an excessive impact was applied (e.g., dropped from a height of 91.4 cm (3 feet or more), never attempt disassembly or repair but replace it with a new one.
When grease. cleaning agent. oil, water, etc. has got onto air bag (inflator) modules (driver and passenger), wipe off immediately with a dry cloth.




REMOVAL






1) Disconnect negative (-) cable at battery.
2) Disable air bag system.
3) Drain engine coolant and disconnect water hoses from heater unit.
4) Remove instrument panel.






5) Remove rear duct (if equipped).
6) Remove heater unit.






7) Remove heater unit clips and screws to separate heater unit.






8) Pull out heater core from unit.


INSTALLATION

1) Install heater unit by reversing removal procedure, noting the following items.
When installing each part, be careful not to catch any cable or wiring harness.
When installing steering column assembly.

2) Adjust control cables
3) Fill engine coolant to radiator.
4) Enable air bag system.