Operation CHARM: Car repair manuals for everyone.
Manuals through 2025 now available!

Our trusted friends have launched a new website named LEMON, which has newer manuals. It also contains all the CHARM manuals.

LEMON is the spiritual successor to CHARM, I recommend you try it!

Link: lemon-manuals.la or lemon-manuals.org.ua

(Some people have issue connecting. LEMON is investigating. For now, use Firefox or change your DNS server)

Or, hide this message: temporarily or permanently

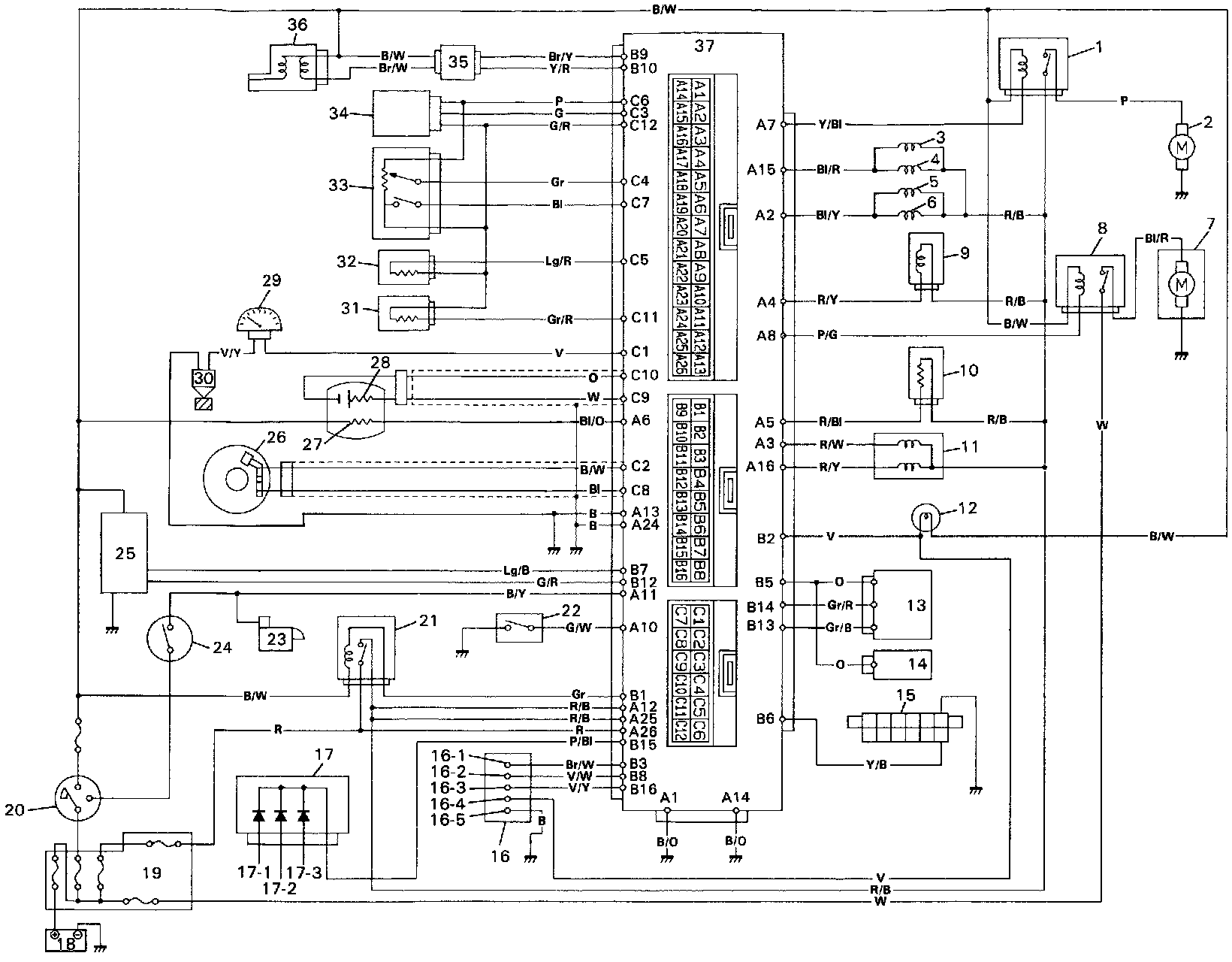
Electrical Diagrams

Powertrain Management System Diagram:




ECM Terminal Identification:





1. Fuel pump relay
2. Fuel pump
3. No.1 injector
4. No.2 injector
5. No.3 injector
6. No.4 injector
7. Radiator fan motor
8. Radiator fan control relay
9. EGR solenoid vacuum valve
10. EVAP canister purge valve
11. Idle air control valve
12. Malfunction indicator lamp ("CHECK ENGINE" light)
13. Transmission control module (A/T)
14. Cruise controller (if equipped)
15. Data link connector
16. Diagnosis connector 1
16-1. Duty output terminal
16-2. Test switch terminal
16-3. Diag. switch terminal
16-4. Diag. output terminal
16-5. Ground terminal
17. Diodes (For electric loads)
17-1. Lighting switch
17-2. Rear window defogger switch
17-3. Heater blower switch
18. Battery
19. Main fuse box
20. Main switch
21. Main relay
22. Power steering pressure switch
23. Starter magnetic switch
24. Clutch pedal position switch (M/T) or transmission range switch (A/T)
25. A/C amplifier
26. Camshaft position sensor
27. Oxygen sensor heater
28. Heated oxygen sensor
29. Speedometer
30. Vehicle speed sensor
31. Intake air temperature sensor
32. Engine coolant temperature sensor
33. Throttle position sensor
34. Manifold absolute pressure sensor
35. Ignitor
36. Ignition coil
37. Engine control module

Wire color
B : Black
B/G : Black/Green
B/O : Black/Orange
B/R : Black/Red
B/W Black/White
B/Y : Black/Yellow
Bl : Blue
Bl/O : Blue/Orange
Bl/R : Blue/Red
Br/B : Brown/Black
Br/W : Brown/White
Br/Y : Brown/Yellow
G : Green
G/R : Green/Red
G/W : Green/White
Gr : Gray
Gr/B : Gray/Black
Gr/R : Gray/Red
Gr/W: Gray/White
Lbl : Lightblue
Lg : Lightgreen
Lg/B Lightgreen/Black
Lg/R : Lightgreen/Red
0 : Orange
P : Pink
P/Bl : Pink/Blue
P/G : Pink/Green
V : Violet
V/W : Violet/White
V/Y : Violet/Yellow
W : White
R : Red
R/B : Red/Black
R/Y : Red/Yellow
R/W : Red/White
Y/B : Yellow/Black
Y/Bl : Yellow/Blue
Y/R : Yellow/Red