Operation CHARM: Car repair manuals for everyone.
Manuals through 2025 now available!

Our trusted friends have launched a new website named LEMON, which has newer manuals. It also contains all the CHARM manuals.

LEMON is the spiritual successor to CHARM, I recommend you try it!

Link: lemon-manuals.la or lemon-manuals.org.ua

(Some people have issue connecting. LEMON is investigating. For now, use Firefox or change your DNS server)

Or, hide this message: temporarily or permanently

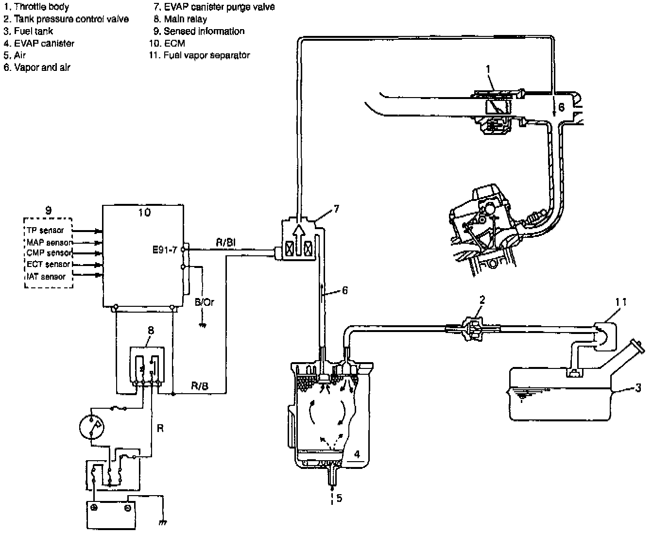
Evaporative Emissions System: Description and Operation





An evaporative emission control system is used to prevent emission of fuel vapor. The vapor generated in the fuel tank while driving or the engine at a stop passes through a tank pressure control valve and enters the EVAP canister where the charcoal absorbs and stores the fuel vapor. The EVAP canister purge valve is controlled as follows by ECM according to signals from various sensors.
- When the engine is normal operating temperature and the A/F is being fed back, ECM controls ON/OFF (open/close) switching of EVAP canister purge valve at a constant rate of 10 times/sec. and the length of its ON time depending on following factors so as to prevent the A/F from being changed suddenly.
- Engine speed
- Manifold absolute pressure
- Concentration of fuel vapor in purge line (fuel vapor concentration is calculated based on how much the feed back A/F changes when the canister is purged and not purged.)
When the EVAP canister purge valve opens, fuel vapor in the EVAP canister is sucked into intake manifold. At this time, EVAP canister is purged or cleaned by the air drawn through the air pipe. The tank pressure control valve is provided to keep the pressure in the fuel tank constant. When the pressure in the fuel tank becomes positive and reaches its specified value, it opens the valve to let the vapor flow into the EVAP canister. On the other hand, when the pressure in the fuel tank becomes negative and reaches its specified value, it opens the valve to let the air flow into the fuel tank.