Operation CHARM: Car repair manuals for everyone.
Manuals through 2025 now available!

Our trusted friends have launched a new website named LEMON, which has newer manuals. It also contains all the CHARM manuals.

LEMON is the spiritual successor to CHARM, I recommend you try it!

Link: lemon-manuals.la or lemon-manuals.org.ua

(Some people have issue connecting. LEMON is investigating. For now, use Firefox or change your DNS server)

Or, hide this message: temporarily or permanently

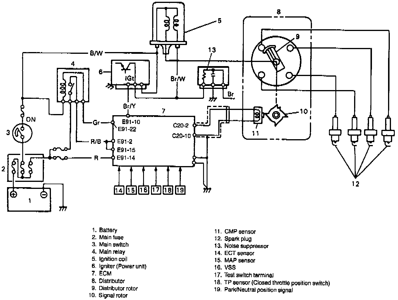
Ignition System: Description and Operation









System Description

The ignition system used for this vehicle has an electronic ignition control system and consists of the following parts.

^ ECM
It detects the engine condition through the signals from the sensors, determines the most suitable ignition timing and time for electricity to flow to the primary coil and sends a signal to the power unit.

^ Power Unit (Igniter)
It turns ON and OFF the primary current of the ignition coil according to the signal from the ECM.

^ Ignition Coil
When the ignition coil primary current is turned OFF, a high voltage is induced in the secondary winding.

^ Distributor
It distributes a high voltage current to each plug.

^ High-tension cords and spark plugs.

^ CMP Sensor (Camshaft Position Sensor)
Located in the distributor, it converts the crank angle into voltage variation and sends it to the ECM. For details refer to Computers and Controls.

^ TP Sensor, ECT Sensor and MAP Sensor
For details refer to Computers and Controls.