A/T - Modified Shift Lock Solenoid Assembly: Overview
TSB No.: TS 3-17 07037Section Title: Drivetrain
Division: Automotive
Category: Technical
SUBJECT:
MODIFICATION OF A/T SHIFT LOCK SOLENOID ASSEMBLY
MODEL:
ALL
YEAR:
MARCH 1997 PRODUCTION AND LATER
CONDITION:
Change in A/T shift lock solenoid assembly.
CAUSE:
Factory modification.
CORRECTION:
When replacing this assembly, please use the part numbers and installation instructions as listed in this bulletin.
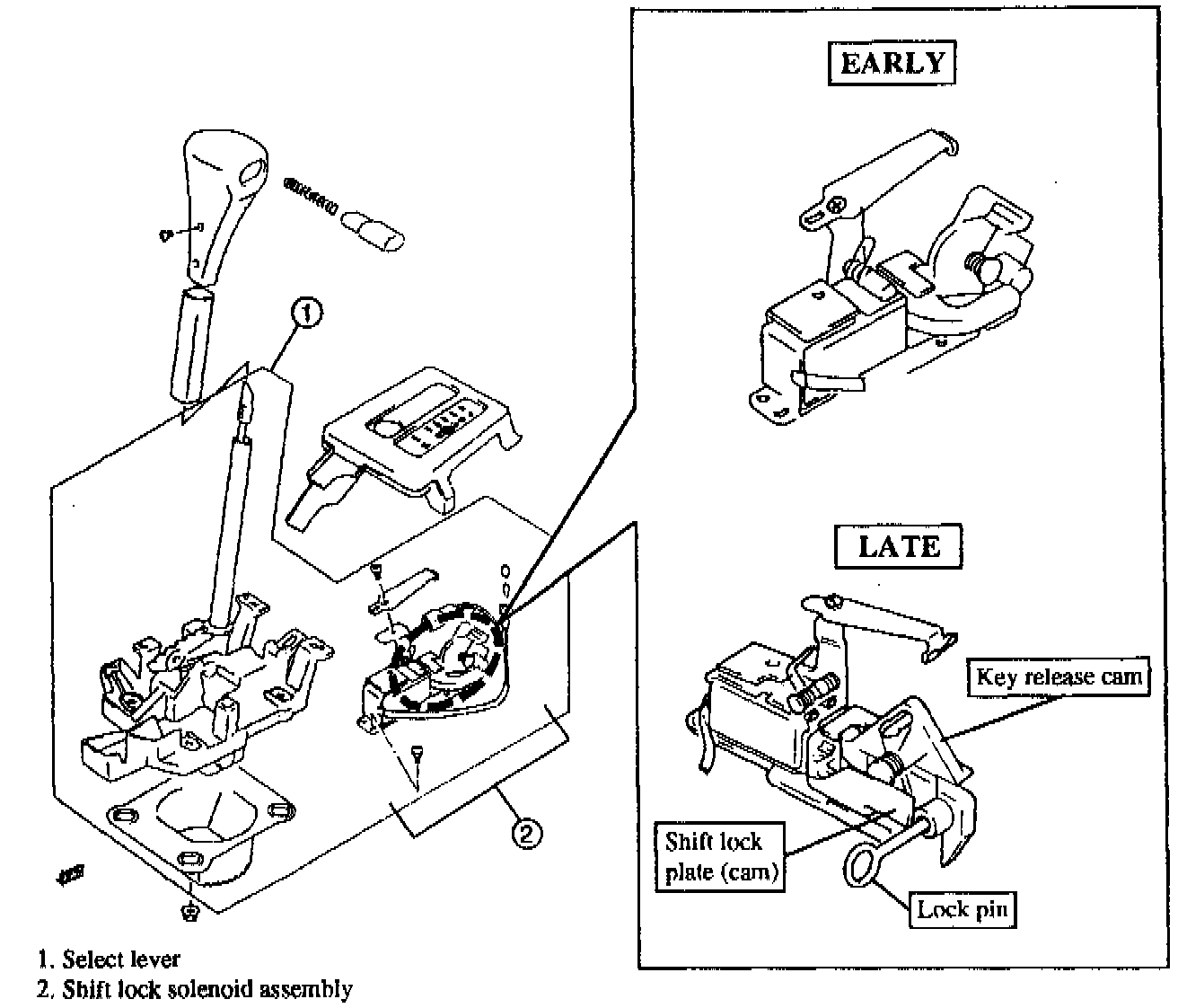
This bulletin is to inform you of the following modification which has been carried out since March 1997 production.
The following modifications have been made to the shift lock solenoid assembly:
^ The shape of the shift lock plate (cam) was modified to improve shift lock release operation.
^ A lock pin was added to the shift lock solenoid assembly as a spare part. The lock pin holds the key release cam into position to facilitate the installation of the interlock cable.
When replacing the shift lock solenoid assembly, please use the part numbers and installation procedures as listed in this bulletin.
EFFECTIVE STARTING VIN
WITH UPDATED PARTS
2S2AB21H_V6603336~
PARTS SUPPLY DATA