Operation CHARM: Car repair manuals for everyone.
Manuals through 2025 now available!

Our trusted friends have launched a new website named LEMON, which has newer manuals. It also contains all the CHARM manuals.

LEMON is the spiritual successor to CHARM, I recommend you try it!

Link: lemon-manuals.la or lemon-manuals.org.ua

(Some people have issue connecting. LEMON is investigating. For now, use Firefox or change your DNS server)

Or, hide this message: temporarily or permanently

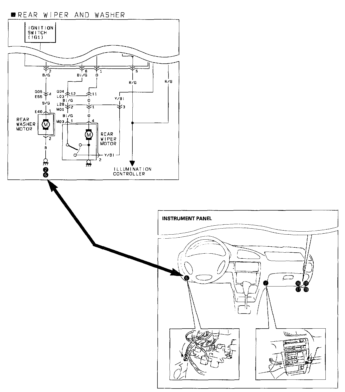
Ground Points




Ground point means the position where the negative harness among wiring harnesses is grounded. The diagram shows such ground points. In the system circuit diagram, there are many ground marks followed by black circles with numerical figures in them (10) which mean that the end of the harness with such black circle is grounded to some part of the vehicle.

To locate the ground point (installation position), refer to ground point diagrams.