Operation CHARM: Car repair manuals for everyone.
Manuals through 2025 now available!

Our trusted friends have launched a new website named LEMON, which has newer manuals. It also contains all the CHARM manuals.

LEMON is the spiritual successor to CHARM, I recommend you try it!

Link: lemon-manuals.la or lemon-manuals.org.ua

(Some people have issue connecting. LEMON is investigating. For now, use Firefox or change your DNS server)

Or, hide this message: temporarily or permanently

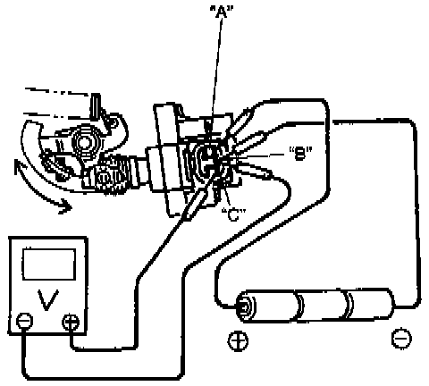
Throttle Full Close Switch: Testing and Inspection

- Disconnect connector from ISC actuator.





- Arrange 3 new 1.5V batteries in series (4.5V in total) and connect these batteries to CTP switch terminals "A" and "B".
Check voltage between terminals "B" and "C" under following each condition.

Throttle lever is in contact with ISC actuator plunger : 0 - 1V
Throttle lever is apart from plunger : 3.5 - 5.5V

If check result is not satisfactory, replace throttle lower body.