Operation CHARM: Car repair manuals for everyone.
Manuals through 2025 now available!

Our trusted friends have launched a new website named LEMON, which has newer manuals. It also contains all the CHARM manuals.

LEMON is the spiritual successor to CHARM, I recommend you try it!

Link: lemon-manuals.la or lemon-manuals.org.ua

(Some people have issue connecting. LEMON is investigating. For now, use Firefox or change your DNS server)

Or, hide this message: temporarily or permanently

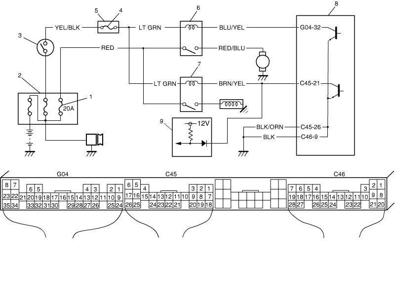
A/C Condenser Fan Control System Inspection






A/C Condenser Fan Control System Inspection









Troubleshooting

1. Check A/C condenser fan control system.

Is A/C condenser fan started when A/C is operating?
YES
A/C condenser fan control system is in good condition.
NO
Go to Step 2.

2. Check A/C condenser fan relay and its circuit.

Connect scan tool to DLC with ignition switch OFF.
Check pending DTC and DTC with scan tool.

Is DTC P0481 displayed?
YES
Go to DTC P0481 diag. flow.
NO
Go to Step 3.

3. Check A/C refrigerant.

Check amount of A/C refrigerant referring to Quick Checking of Refrigerant Charge.

Is it good condition?
YES
Go to Step 4.
NO
Recharge refrigerant.

4. Check wire circuit.

Disconnect A/C condenser fan control relay (1) from fuse / relay box with ignition switch turn OFF.
Turn ON ignition switch, measure voltage between engine ground to "RED" wire terminal.






Is voltage 10 - 14 V?
YES
Go to Step 7.
NO
Go to Step 5.

5. Check wire circuit.

Disconnect A/C compressor control relay (1) from fuse / relay box with ignition switch turn OFF.
Turn ON ignition switch, measure voltage between engine ground to "RED" wire terminal.






Is voltage 10 - 14 V?
YES
Faulty A/C compressor control relay.
NO
Go to Step 6.

6. Check wire circuit.

Remove A/C fuse "20 A" (1).
Measure resistance between "RED" wire terminal and engine ground.






Is resistance infinity?
YES
"RED" wire open circuit.
If OK, go to Step 6.
NO
"RED" wire shorted to ground circuit.

7. Check wire circuit.

Disconnect connector from A/C condenser fan with ignition switch turn OFF.
Measure resistance between engine ground to "RED/BLU" wire terminal.

Is resistance infinity?
YES
Go to Step 8.
NO
"RED/BLU" wire shorted to ground circuit.

8. Check A/C condenser fan control relay.

Check A/C condenser fan control relay, referring to A/C Condenser Fan Control System Inspection.

Is result in good condition?
YES
Go to Step 9.
NO
Replace relay.

9. Check wire circuit.

Install A/C fuse "20 A".
Connect A/C condenser fan control relay to fuse / relay box with ignition switch turn OFF.
Start engine then turn ON A/C switch and blower motor switch.
Measure voltage between engine ground and "RED/BLU" wire terminal in A/C condenser fan harness connector.

Is voltage 10 - 14 V?
YES
Go to Step 10.
NO
"RED/BLU" wire open circuit.

10. Check A/C condenser fan.

Check A/C condenser fan operates referring to A/C Condenser Fan Control System Inspection.

Is it good condition?
YES
Substitute a known-good ECM and recheck.
NO
Faulty A/C condenser fan.