Operation CHARM: Car repair manuals for everyone.
Manuals through 2025 now available!

Our trusted friends have launched a new website named LEMON, which has newer manuals. It also contains all the CHARM manuals.

LEMON is the spiritual successor to CHARM, I recommend you try it!

Link: lemon-manuals.la or lemon-manuals.org.ua

(Some people have issue connecting. LEMON is investigating. For now, use Firefox or change your DNS server)

Or, hide this message: temporarily or permanently

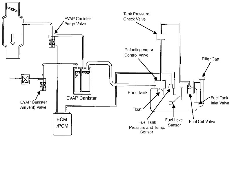
OBD System Description - EVAP Control System Monitor






OBD System Description - EVAP Control System Monitor

System Description / Monitoring Procedure

To monitor the EVAP control system, a fuel tank pressure sensor and an EVAP canister air (vent) valve are added to the system.

The monitoring system measures pressure change of closed EVAP system circuit under the depressurized condition. The system also measures pressure change of closed circuit to compensate evaporative pressure with the normal range pressure, if necessary.

EVAP System Monitoring System (ORVR)





EVAP System Monitoring Procedure





DTC Description / Detecting Condition / Confirmation Procedure

P0442, P0455

Refer to P0442 DTC P0442 / P0455: Evaporative Emission Control System Leak Detected (Small Leak) / (Gross Leak).

P0456

Refer to P0456 DTC P0456: Evaporative Emission Control System Leak Detected (Very Small Leak).

EVAP Control System Monitor

Operation











Enable condition













Typical malfunction thresholds






MODE $06 Data