Operation CHARM: Car repair manuals for everyone.
Manuals through 2025 now available!

Our trusted friends have launched a new website named LEMON, which has newer manuals. It also contains all the CHARM manuals.

LEMON is the spiritual successor to CHARM, I recommend you try it!

Link: lemon-manuals.la or lemon-manuals.org.ua

(Some people have issue connecting. LEMON is investigating. For now, use Firefox or change your DNS server)

Or, hide this message: temporarily or permanently

Clutch Switch: Testing and Inspection

Clutch Pedal Position (CPP) Switch (for Cruise Control) Inspection and Adjustment

Inspection




Check for resistance between terminals under each condition below. If check result is not satisfactory, replace.

CPP switch (for cruise control) resistance
When switch shaft is pushed (1): No continuity
When switch shaft is free (2): Continuity

Adjustment




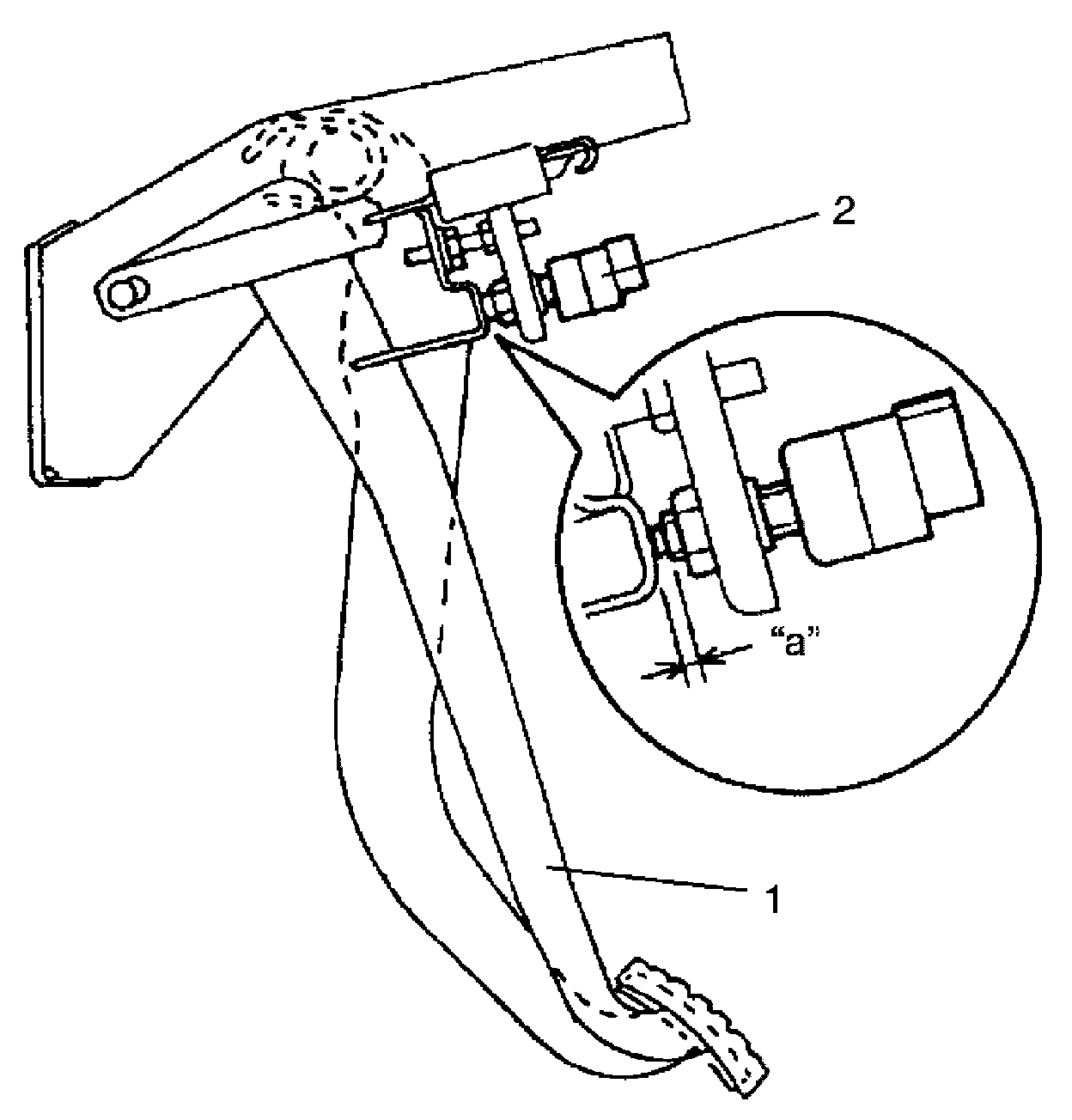
With clutch pedal (1) released, adjust switch (2) position so that clearance between end of thread and clutch pedal bracket is within specification.

Clearance between end of thread and clutch pedal bracket
"a": 1.5 - 2.0 mm (0.06 - 0.08 in.)