Operation CHARM: Car repair manuals for everyone.
Manuals through 2025 now available!

Our trusted friends have launched a new website named LEMON, which has newer manuals. It also contains all the CHARM manuals.

LEMON is the spiritual successor to CHARM, I recommend you try it!

Link: lemon-manuals.la or lemon-manuals.org.ua

(Some people have issue connecting. LEMON is investigating. For now, use Firefox or change your DNS server)

Or, hide this message: temporarily or permanently

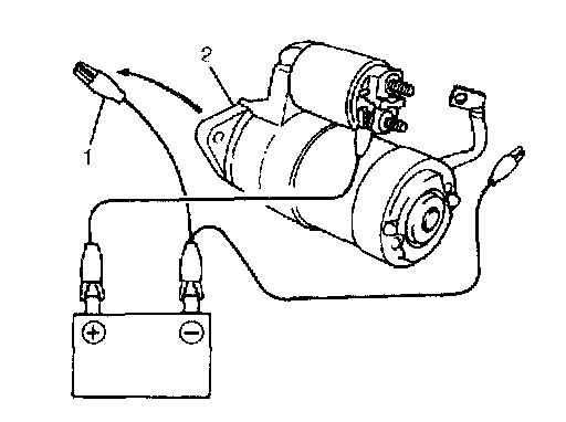
Performance Test

CAUTION: Each test must be performed within 3 - 5 seconds to avoid coil from burning.

Pull-In Test
1. Connect battery to magnetic switch as shown.




2. Check that plunger and pinion move outward. If plunger and pinion don't move, replace magnetic switch.

NOTE: Before testing, disconnect lead wire from terminal M.




Hold-In Test
1. While connected as above with plunger out, disconnect negative lead (2) from terminal 'M' (1).
2. Check that plunger and pinion remain out. If plunger and pinion return inward, replace magnetic switch.




Plunger and Pinion Return Test
1. Disconnect negative lead (1) from switch body (2).
2. Check that plunger and pinion return inward. If plunger and pinion don't return, disassemble and inspect starting motor.




No-Load Performance Test
1. Connect battery and ammeter to starter as shown.
2. Check that starter rotates smoothly and steadily with pinion moving out. Check that ammeter indicates specified current.

Specified current (no-load performance test) 90 A MAX. at 11 V

NOTE: Use wires as thick as possible and tighten each terminal fully.