Operation CHARM: Car repair manuals for everyone.
Manuals through 2025 now available!

Our trusted friends have launched a new website named LEMON, which has newer manuals. It also contains all the CHARM manuals.

LEMON is the spiritual successor to CHARM, I recommend you try it!

Link: lemon-manuals.la or lemon-manuals.org.ua

(Some people have issue connecting. LEMON is investigating. For now, use Firefox or change your DNS server)

Or, hide this message: temporarily or permanently

Disassembly

Disassembly





1) Remove clutch release bearing (1), release fork (2) and clutch housing (3).





2) Remove back-up light switch (1).





3) Remove locating screw (1), locating spring (2) and locating ball (3) as shown in figure.





4) Remove return spring low bolt (1) and return spring reverse bolts (2).





5) Remove gear shift shaft inner bolt (1) / plug (2).





6) Using bolt hole, pull gear shift inner shaft (2) and then remove gear shift shaft inner lever (1).





7) After removing transmission case bolts / nut, remove transmission rear case (1) from intermediate case (2).





8) Remove input shaft bearing retainer (1) and gasket.





9) Remove C-rings (1) of input shaft bearing and C-ring (2) of counter shaft front bearing.
Special tool (B): 09900-06107





10) Using special tool (A), separate transmission front case (1) and transmission intermediate case (2).





11) Set transmission on workbench and remove transmission front case (1).

NOTE: To remove transmission front case, tilt it as shown.

12) Set transmission intermediate case on vise securely.





13) Remove locating screws (1), locating springs (2) and locating ball (3) as shown in figure.





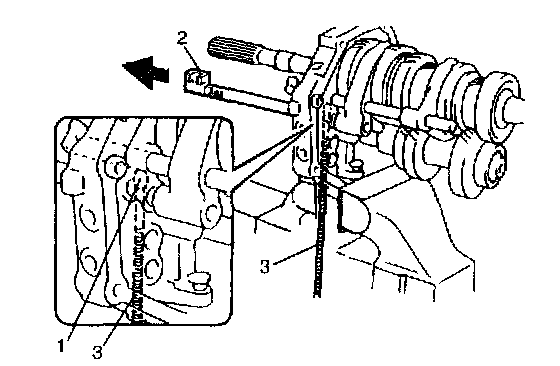
14) Using special tool (C), remove spring pin and then remove 5th-reverse gear shift shaft (1





15) Remove bolt from 5th gear shift fork (1).





16) Remove 5th gear shift fork (1), 5th gear shift shaft (3) and reverse gear shift yoke (2).

NOTE: When pulling 5th gear shift shaft (3), place hand so as to catch balls (4) dropping from reverse gear shift yoke (2) and intermediate plate.





17) Remove locating roller No.2 (1) from reverse gear shift shaft (2) by using magnet (3).





18) Remove circlip (1) from reverse gear shift shaft (2) as shown in figure.





19) Remove spring pin from reverse gear shift link component.
20) Remove reverse gear shift shaft (2), locating roller No. 1 (1), and reverse gear shift link component (3).

NOTE: When pulling gear shaft, hold locating roller No. 1 (1) with magnet (4) to prevent it from failing.





21) Disassemble reverse gear shift link component (3) by removing E-rings.





22) Remove locating roller No.2 (1) from low gear shift shaft (2) by using magnet (3).





23) Remove circlip (1) from low gear shift shaft (2) as shown in figure.





24) Remove bolt from low speed gear shift fork (1).





25) Remove low gear shift shaft (2) and locating roller No. 1 (1).

NOTE: When pulling gear shaft (2), hold locating roller No.1 (1) with magnet (3) to prevent it from failing.





26) Remove circlip (1) from high gear shift shaft (2) as shown in figure.
27) Remove bolt from high speed gear shift fork (1).





28) Remove high gear shift shaft (2), high speed gear shift fork (1) and low speed gear shift fork (3).





29) Check countershaft 5th gear (1) thrust clearance by using thickness gauge (2).





30) Remove circlip (1) from counter shaft (2) as shown in figure.





31) Remove 5th speed synchronizer dog by using special tool.
32) Remove synchronizer ring, needle bearing and counter shaft 5th gear.





33) Remove thrust washer (2) and ball (1).





34) Remove reverse link stay (1) from intermediate case.





35) Remove reverse idle gear (1) and shaft (2).





36) Remove main and counter shaft bearing plate (1).





37) Remove C-ring (1) of countershaft rear bearing.





38) Using rod (2) and hammer, remove counter shaft rear bearing (1) and counter shaft (3).

NOTE: This removal requires 2 persons. One should hold counter shaft (3) and the other should remove bearing (1) by using rod (2) and hammer.





39) Remove input shaft assembly (1) with synchronizer ring from main shaft assembly (2).

NOTE: When removing input shaft, be careful not to drop bearing roller.





40) Remove C-ring of main shaft and pull out main shaft assembly (1).

NOTE: If intermediate case is engaged with bearing firmly, tap front face of intermediate case with plastic hammer lightly as It all cause main shaft assembly to come off forward.