Operation CHARM: Car repair manuals for everyone.
Manuals through 2025 now available!

Our trusted friends have launched a new website named LEMON, which has newer manuals. It also contains all the CHARM manuals.

LEMON is the spiritual successor to CHARM, I recommend you try it!

Link: lemon-manuals.la or lemon-manuals.org.ua

(Some people have issue connecting. LEMON is investigating. For now, use Firefox or change your DNS server)

Or, hide this message: temporarily or permanently

Unit Assembly

Unit Assembly

NOTE:
^ Before assembly, wash and inspect each part and apply specified gear oil to sliding faces of bearing and gear.
^ Use new circlips on shaft for installation. Don't rouse circlips.





1) Set intermediate case (1) to vise (3). Clean mating surfaces of intermediate case both sides, if intermediate case is reused.





2) Install main shaft assembly (1) to intermediate case.





NOTE: When fitting of intermediate case (1) and bearing is tight, tap rear face of intermediate case (1) with plastic hammer lightly as It will cause main shaft assembly (2) to install.





3) Fix with C-ring (1) by using special tool.





4) Align key slots of synchronizer ring and synchronizer keys and set input shaft assembly to main shaft assembly. Check that input shaft assembly turns lightly.
5) Fix with C-ring to counter shaft rear bearing.





6) Install counter shaft (1) and rear bearing (2) to intermediate case.

NOTE:
^ When installing bearing, bring it so that its C-ring side is at rear side of intermediate case as shown.
^ When fitting of intermediate case and bearing is tight, tap outer race of bearing lightly and evenly with plastic hammer.





7) Install bearing plate (1).





8) Install reverse idle gear (1) and shaft (2).





9) Tighten reverse gear shift bolt (1) to specification.





10) Install reverse link stay (1).





11) Set ball (1) and thrust washer (2) to counter shaft.





12) Install needle bearing (1), counter shaft 5th gear (2) and synchronizer ring.

NOTE: When setting synchronizer ring to sleeve of 5th gear, align synchronizer key slot to key.





13) Press-fit 5th speed synchronizer dog (1) to countershaft with press (2) and special tool.





14) Select circlip (1) that will make clearance in circlip groove 0.1 mm (0.0039 inch) or less.





Circlip thickness specification





15) Fix with circlip (1) as shown in figure and check that counter 5th gear turns lightly.





16) Check counter shaft 5th gear (1) thrust clearance by using thickness gauge (2).
17) Install low speed gear shift fork, high speed gear shift fork and shaft.





18) Apply thread lock cement to thread of fork bolt and tighten bolt to specification.





19) Fix new circlip (1) to high gear shift shaft by using lever or the like and hammer.





20) Apply grease "A" to locating roller No.2 (1) and install roller (1) to low gear shift shaft (2).





21) Supporting locating roller No. 3 (1) by magnet (2), insert low gear shift shaft (3) to intermediate case and low speed gear shift fork.





22) Apply thread lock cement "A" to thread of fork bolt and tighten bolt to specification.





23) Fix with new circlip (1) to low gear shift shaft (2) by using lever or the like and hammer.





24) Apply grease to locating roller No.2 (1) and install roller No. 2 (1) to reverse gear shift shaft (2).
25) Assemble reverse gear shift link assembly.
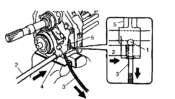
26) Insert reverse gear shift shaft (2) into reverse gear shift link assembly and intermediate case while holding locating roller No. 1 (1) with magnet (3).





27) Supporting locating roller No.1 (1) with magnet (3), insert reverse gear shift shaft (2) into reverse gear shift link and intermediate case.





28) Fix with new circlip (1) to reverse gear shift shaft by using rod or the like and hammer.





29) Drive pin into reverse gear shift link (1) and shaft by using special tool (C).





30) Install reverse gear shift yoke (1) and 5th gear shift fork (2) as shown in figure.





31) Supporting ball (1) with magnet (3) as shown in figure, insert 5th gear shift shaft (2) to 5th gear shift fork (4) and reverse gear shift yoke (5).





32) Supporting ball (1) with magnet (3) as shown in figure, insert 5th gear shift shaft (2) into intermediate case (4).





33) Apply thread lock cement "A" to thread of fork bolt and tighten bolt to specification.





34) Insert 5th-reverse gear shift shaft (1) to reverse gear shift yoke and drive pin into shaft and yoke.





35) Install locating balls, locating springs and locating screw after checking free length of locating springs.





Locating springs free length

NOTE: For 5th gear locating spring, use shorter spring (1).





36) Place intermediate case assembly upright as shown in figure by using workbench or the like.





37) Apply sealant evenly to front case side of intermediate case (1) as shown in figure.





38) Clean mating surface of front case (1) and install it to intermediate case.





39) Fix C-rings (1, 2) to bearings as shown in figure.





40) Apply cement "A" to input shaft bearing retainer bolt and install input shaft bearing retainer (1), new gasket and its bolts.
41) Clean mating surface of rear case and apply sealant evenly to rear case side of intermediate case.
A: Sealant 99000-31110





42) Install rear case to intermediate case.





43) With tip end of gear shift shaft inner lever (1) hooked on head of gear shift shaft (2), insert gear shift inner shaft (3) into gear shift shaft inner lever.





44) Apply cement "A" to inner gear shift shaft bolt / plug and tighten them to specification.





45) Tighten return spring low bolt and return spring reverse bolt (black color) (1).

NOTE: Install return spring reverse bolt (black color) (1) to left side of case.





46) Apply cement to locating screw (1) and install locating ball (3), locating spring (2) and screw to rear case.





47) Install back-up light switch and new gasket.





48) Install clutch housing (3) and torque its bolts to specification.