Operation CHARM: Car repair manuals for everyone.
Manuals through 2025 now available!

Our trusted friends have launched a new website named LEMON, which has newer manuals. It also contains all the CHARM manuals.

LEMON is the spiritual successor to CHARM, I recommend you try it!

Link: lemon-manuals.la or lemon-manuals.org.ua

(Some people have issue connecting. LEMON is investigating. For now, use Firefox or change your DNS server)

Or, hide this message: temporarily or permanently

Electronic Control System Description

ELECTRONIC CONTROL SYSTEM DESCRIPTION

The electronic control system consists of various sensors which detect the state of engine and driving conditions, ECM which controls various devices according to the signals from the sensors and various controlled devices.

Functionally, it is divided into the following sub systems:
- Fuel injection control system
- Ignition control system
- Idle air control system
- Fuel pump control system
- Radiator fan control system
- Evaporative emission control system
- EGR system
- Heated oxygen sensor heater control system
- A/C control system

Engine And Emission Control System Flow Diagram:




Engine and Emission Control System Flow Diagram

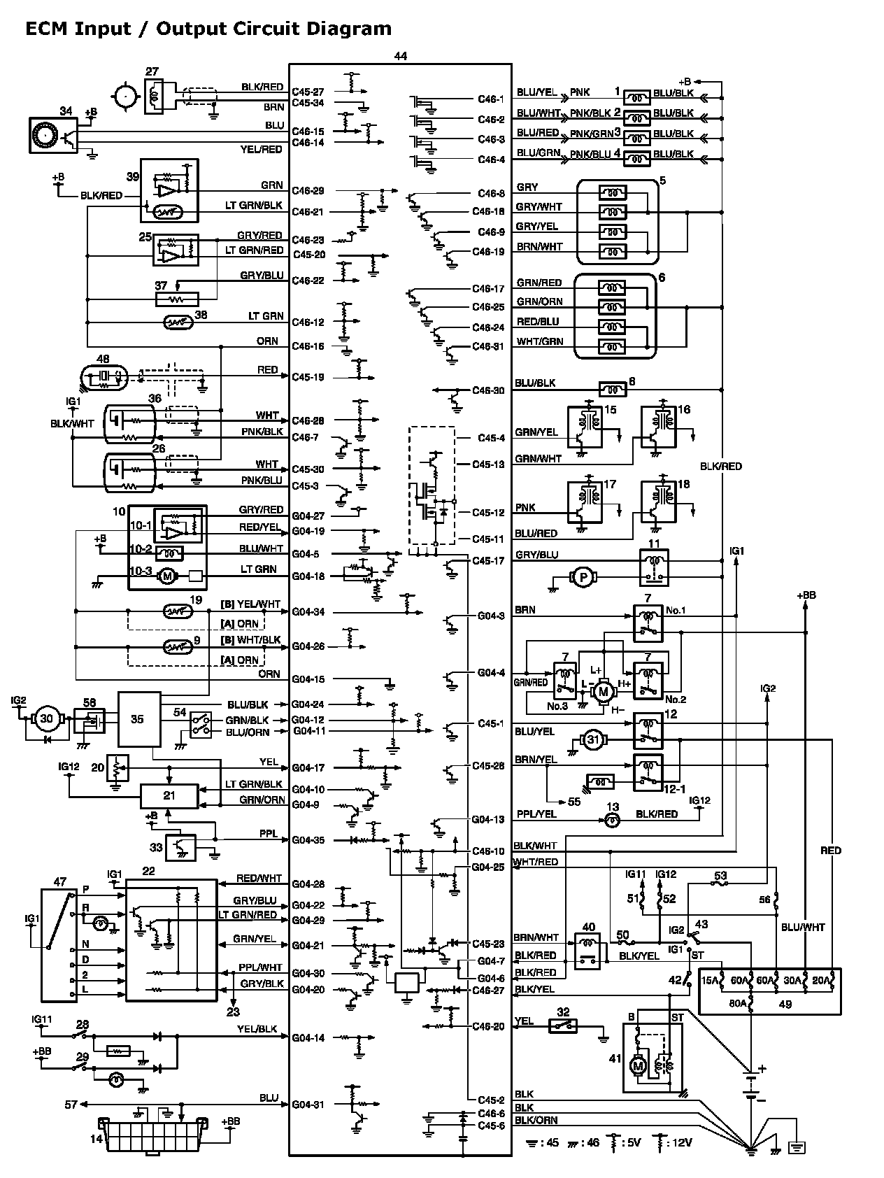
ECM Input / Output Circuit Diagram:







ECM Input / Output Circuit Diagram

Term. G04-1 - G04-35:




Term. C45-1 - C45-35:




Term. C46-1 - C46-31:




Terminal Arrangement of ECM Coupler (Viewed from Harness Side)

Engine And Emission Control Input / Output Table:




Engine and Emission Control Input/Output Table