Operation CHARM: Car repair manuals for everyone.
Manuals through 2025 now available!

Our trusted friends have launched a new website named LEMON, which has newer manuals. It also contains all the CHARM manuals.

LEMON is the spiritual successor to CHARM, I recommend you try it!

Link: lemon-manuals.la or lemon-manuals.org.ua

(Some people have issue connecting. LEMON is investigating. For now, use Firefox or change your DNS server)

Or, hide this message: temporarily or permanently

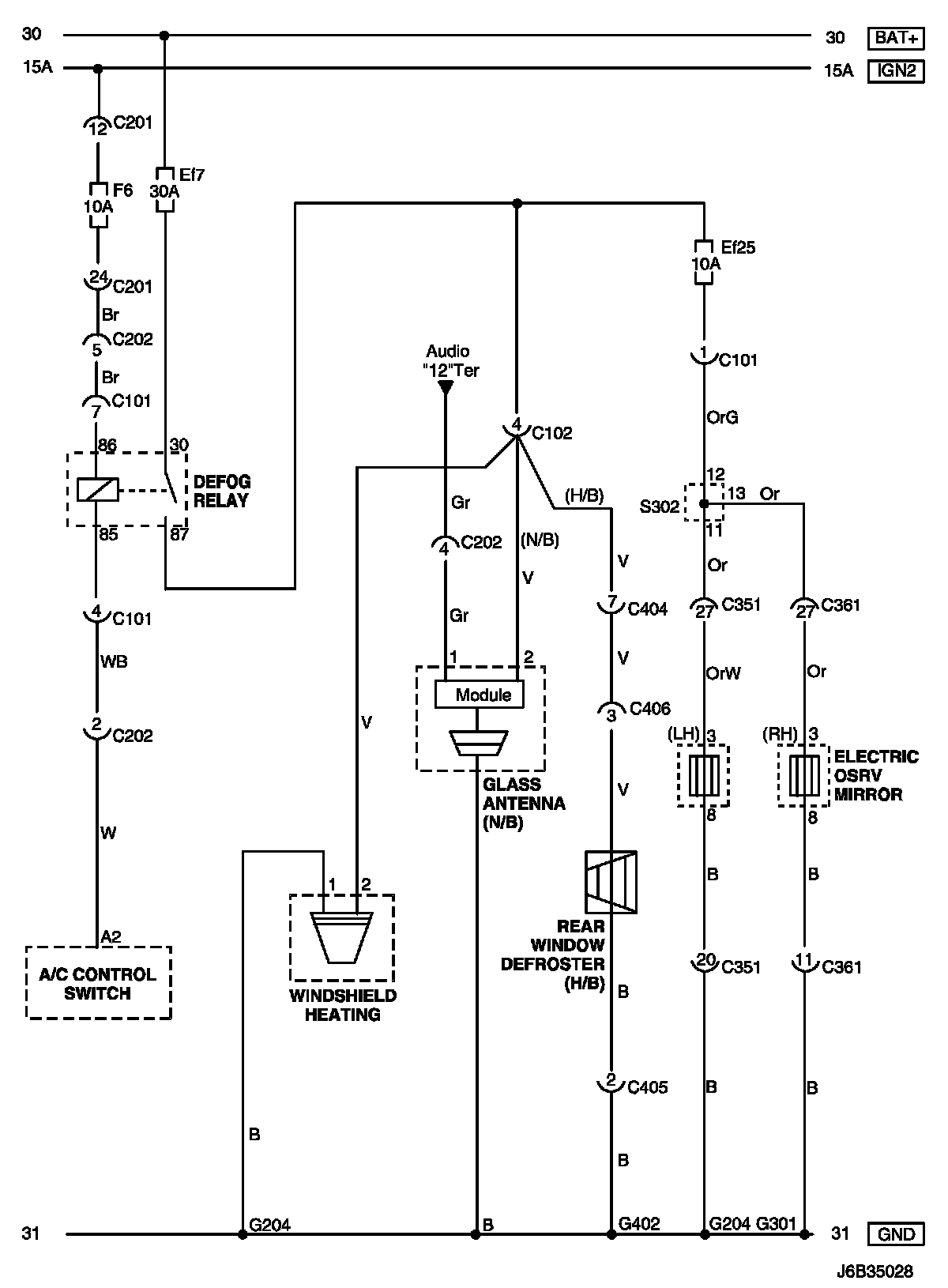
For Notchback and Hatchback Model

Font/Rear Window Defroster and OSRV Mirror Heating System Circuit Wiring Diagram (For NOTCHBACK and HATCHBACK Model):




WIRING DIAGRAM

C101 - G402:




CONNECTOR INFORMATION

Connector Identification Symbol and Pin Number Position:




CONNECTOR IDENTIFICATION SYMBOL AND PIN NUMBER POSITION

W/H INSTRUMENT PANEL:




W/H DRIVE DOOR:




POSITION OF CONNECTORS AND GROUNDS

S302 (Notchback):




S301 (Hatchback):




SPLICE PACK