Operation CHARM: Car repair manuals for everyone.
Manuals through 2025 now available!

Our trusted friends have launched a new website named LEMON, which has newer manuals. It also contains all the CHARM manuals.

LEMON is the spiritual successor to CHARM, I recommend you try it!

Link: lemon-manuals.la or lemon-manuals.org.ua

(Some people have issue connecting. LEMON is investigating. For now, use Firefox or change your DNS server)

Or, hide this message: temporarily or permanently

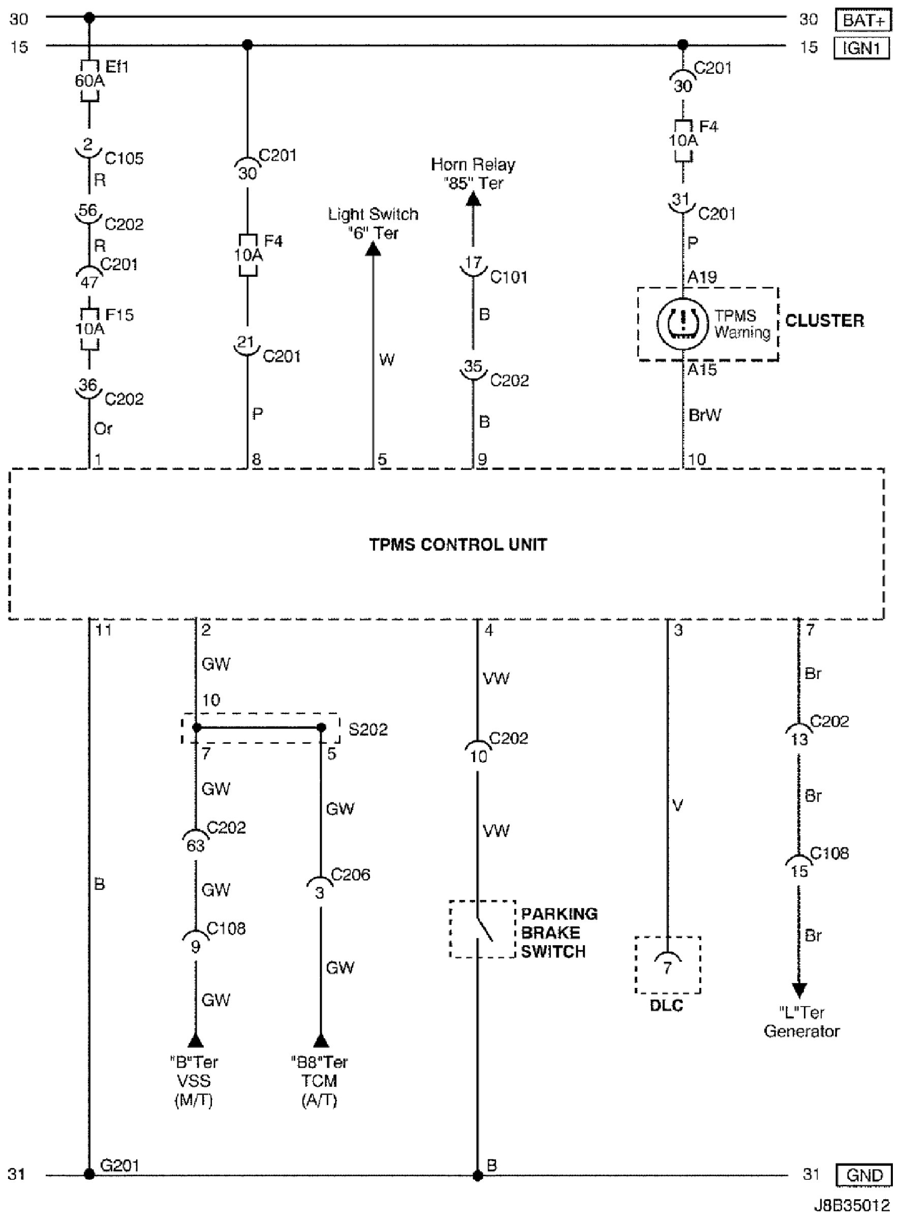
Tire Monitoring System

TPMS (Tire Pressure Monitoring System) Control Unit Circuit Wiring Diagram

TPMS (Tire Pressure Monitoring System) Control Unit Circuit Wiring Diagram:





Connector Information

Connector Information:





Connector Identification Symbol and Pin Number Position

Connector Identification Symbol and Pin Number Position:





Position of Connectors and Grounds

Position of Connectors and Grounds - W/H Body:





Splice Pack

S202: