Operation CHARM: Car repair manuals for everyone.
Manuals through 2025 now available!

Our trusted friends have launched a new website named LEMON, which has newer manuals. It also contains all the CHARM manuals.

LEMON is the spiritual successor to CHARM, I recommend you try it!

Link: lemon-manuals.la or lemon-manuals.org.ua

(Some people have issue connecting. LEMON is investigating. For now, use Firefox or change your DNS server)

Or, hide this message: temporarily or permanently

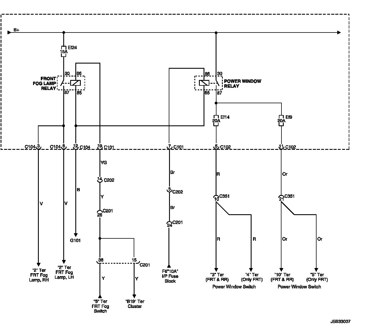
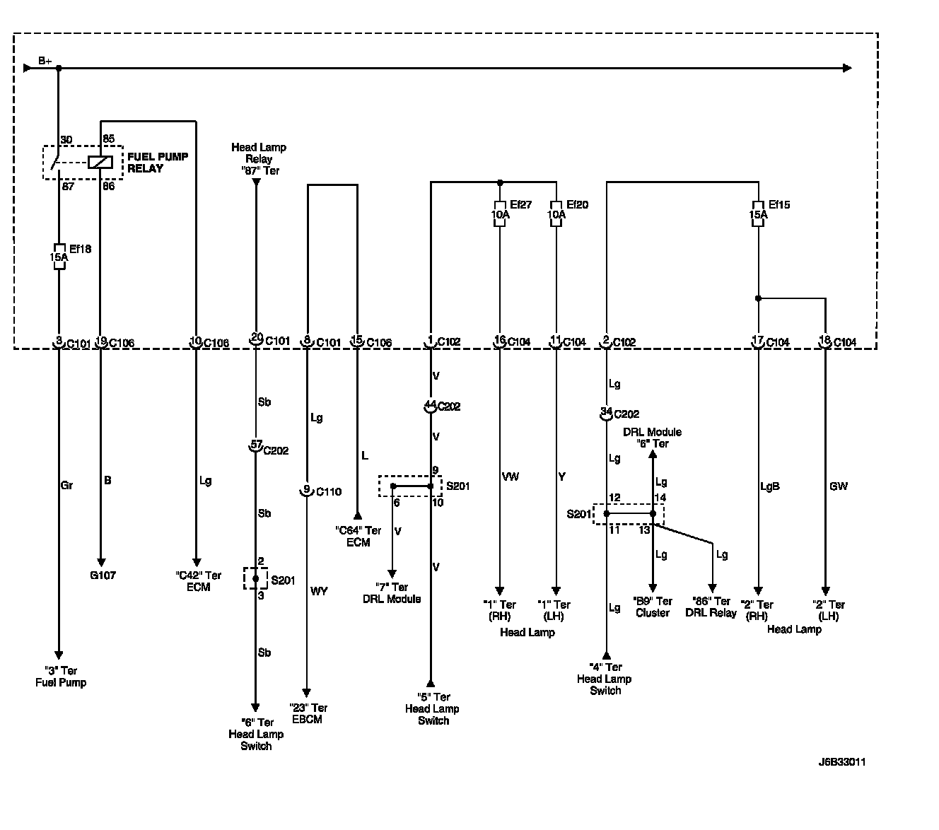
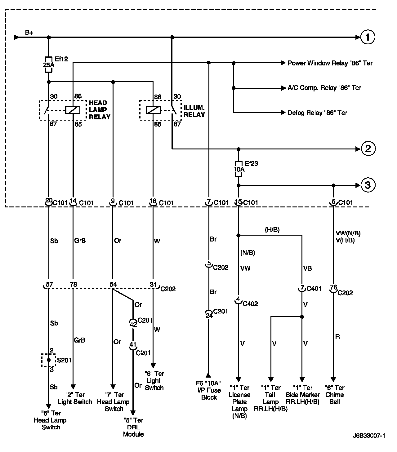
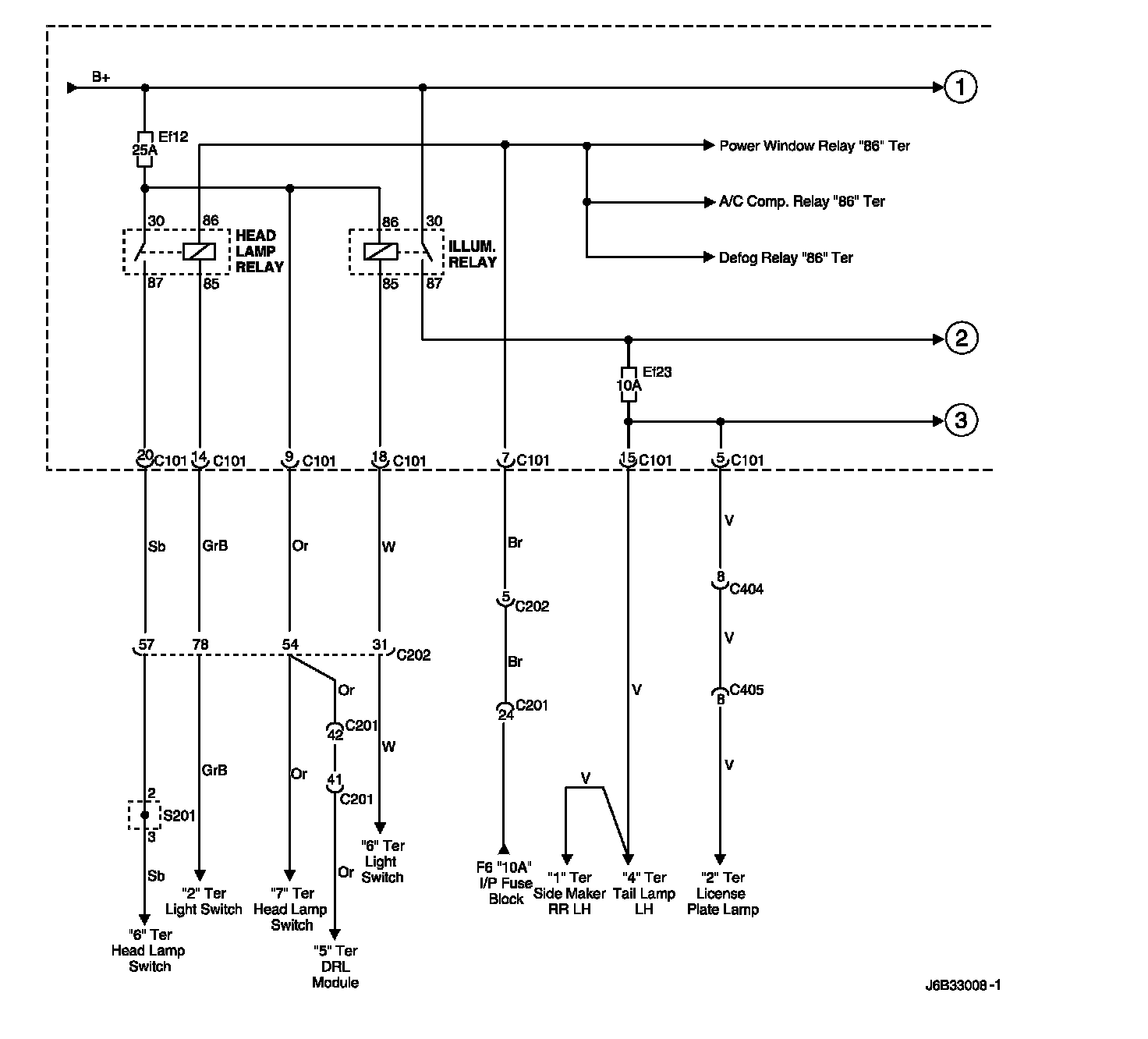
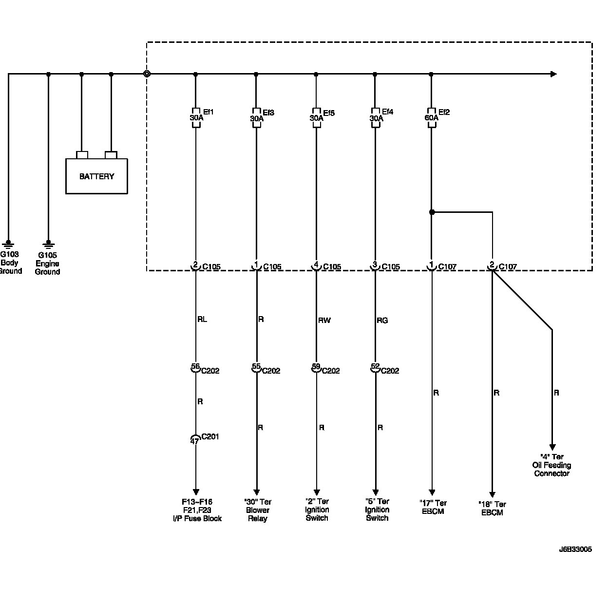
Engine Fuse Block and Relay Circuit

Engine Fuse Block And Relay Circuit - Part 1:



Engine Fuse Block And Relay Circuit - Part 2:



Engine Fuse Block And Relay Circuit - Part 3:



Engine Fuse Block And Relay Circuit - Part 4:



Engine Fuse Block And Relay Circuit - Part 5:



Engine Fuse Block And Relay Circuit - Part 6:



Engine Fuse Block And Relay Circuit - Part 7:



Engine Fuse Block And Relay Circuit - Part 8:



Engine Fuse Block And Relay Circuit - Part 9:



Engine Fuse Block And Relay Circuit - Part 10:



Engine Fuse Block And Relay Circuit - Part 11: