Operation CHARM: Car repair manuals for everyone.
Manuals through 2025 now available!

Our trusted friends have launched a new website named LEMON, which has newer manuals. It also contains all the CHARM manuals.

LEMON is the spiritual successor to CHARM, I recommend you try it!

Link: lemon-manuals.la or lemon-manuals.org.ua

(Some people have issue connecting. LEMON is investigating. For now, use Firefox or change your DNS server)

Or, hide this message: temporarily or permanently

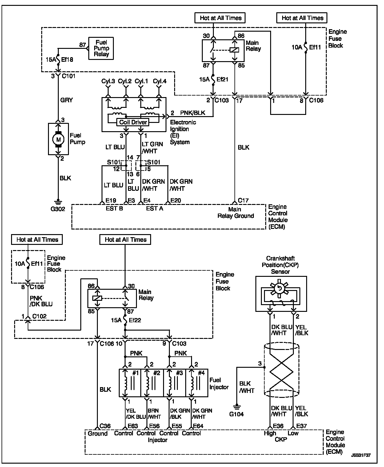
Engine Cranks But Will Not Run

Engine Cranks But Will Not Run

Wiring Diagram:




Wiring Diagram

Test Description
The number(s) below refer to step(s) on the diagnostic table.
1. By performing a compression test, it can be determined if the engine has the mechanical ability to run.
2. It is important to check for the presence of spark from all of the ignition wires. If spark is present from one to three of the ignition coil terminals, the Crankshaft Position (CKP) sensor is OK.
3. In checking the Engine Control Module (ECM) outputs for the electronic spark timing signal, it recommended to use an oscilloscope to view the varying voltage signals. In measuring these outputs with a voltmeter, intermittent errors may occur that cannot be seen by a voltmeter.
4. This step checks for proper operation of the ECM's control of the fuel pump circuit.
5. This step checks for a ground signal being supplied by the ECM to operate the fuel injectors. If there is no ground present during the cranking of the engine, and the fuel injector wiring is OK, the ECM is at fault.

WARNING: Do not pinch or restrict nylon fuel lines to avoid damage that could cause a fuel leak, resulting in possible fire or personal injury.

CAUTION: Use only electrically insulated pliers when handling ignition wires with the engine running to prevent an electrical shock.

Step 1 - 15:




Step 16 - 34:




Step 35 - 51:




Step 52 - 64:




Troubleshooting