Operation CHARM: Car repair manuals for everyone.
Manuals through 2025 now available!

Our trusted friends have launched a new website named LEMON, which has newer manuals. It also contains all the CHARM manuals.

LEMON is the spiritual successor to CHARM, I recommend you try it!

Link: lemon-manuals.la or lemon-manuals.org.ua

(Some people have issue connecting. LEMON is investigating. For now, use Firefox or change your DNS server)

Or, hide this message: temporarily or permanently

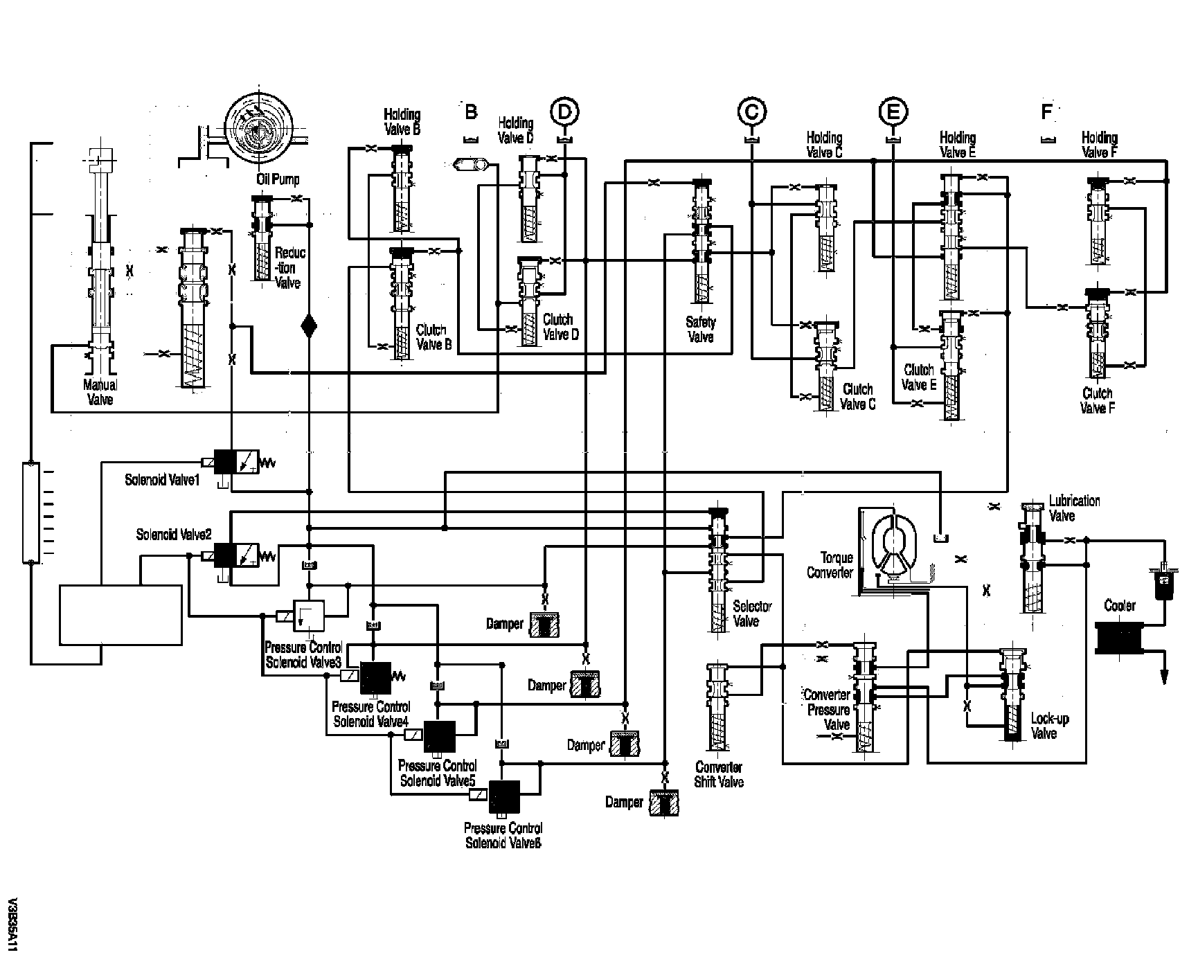
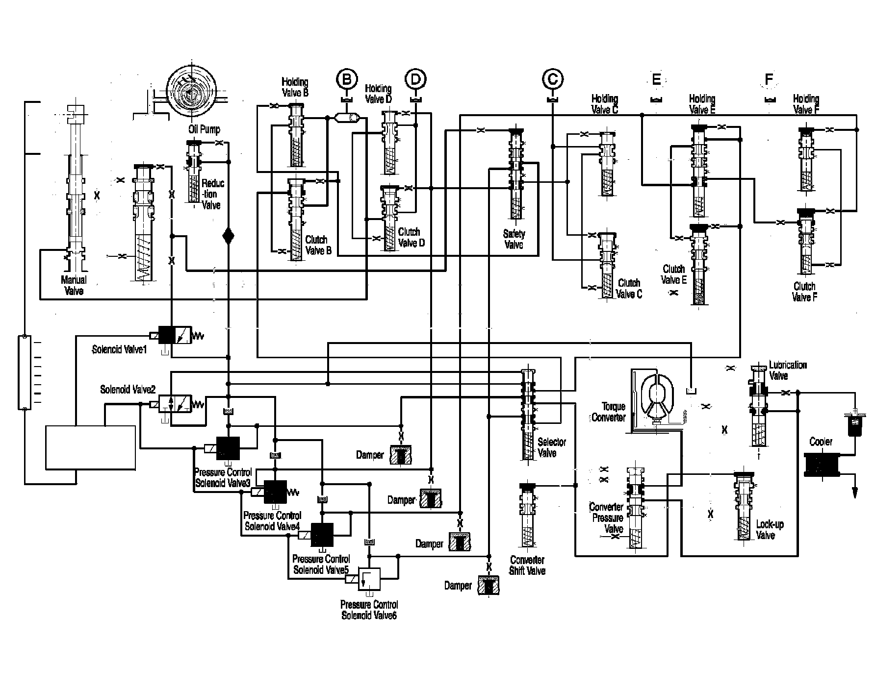
Power Flow Diagram

Power Flow Diagram

Park/Neutral





In Park or Neutral with the engine running there is no drive to the planetary gear set. Line pressure (from the oil pump) is supplied to the valve body. Only clutch B is supplied and the torque converter is released.

Control
Line Pressure Control Valve
The line pressure control valve sets the general pressure level in the valve body. When gearshifts are not taking place, the line pressure varies between two levels, depending on the turbine torque. Line pressure increase linearly by time. But it has a limit point. When pressure reaches that point, excess oil pressure drains back into the oil sump.

Reduction Valve
The reduction valve reduces the line pressure with which the downstream solenoid valves and pressure control solenoid valves (EDS) are supplied. This makes it possible to use smaller solenoid valves.

The line pressure comes from the oil pump and flows to the reduction valve. The inlet port to the reduction valve will be blocked and line pressure will be maintained at the appropriate level.

Solenoid Valve 1, 2
Solenoid Valve 1 controls the line pressure (high and low) to the clutch valves. Solenoid Valve 1 is either ON or OFF. When the solenoid is turned ON the line pressure will be low (87 - 116 psi [6 - 8 bar]). When the solenoid is turned OFF the line pressure will be high (232 - 261 psi [16 - 18 bar]).

Solenoid 2 controls the fluid flow to clutch valve E or the TCC clutch valve. When solenoid 2 is ON fluid is directed to the TCC pressure valve and if the solenoid is switched OFF fluid will flow to the inlet at clutch valve E.

The TCM monitors numerous inputs to determine the appropriate solenoid state combination and transaxle gear for the vehicle operating conditions.

In Park and Neutral solenoid valve 1 is ON. So line pressure flows to the safety valve and the line pressure control valve via the solenoid valve.

Clutch B Engaged
In Park and Neutral solenoid valves 1 and 2 are both ON. Pressure control solenoids (EDS) 4 and 6 are also turned ON.

When EDS 6 is ON, the fluid supplied from the reduction valve flows to the safety valve, clutch valve B and holding valve B. The oil that is supplied to the inlet port of the clutch valve presses on the valve spool. Line pressure then flows to the holding valve and check ball, engaging clutch B.

Lock-up Clutch (TCC)
Solenoid 2 is turned ON and the line pressure control valves spool will be depressed. Fluid will now flow through the torque converter pressure valve.

As a result, the oil pressure behind the converter lock-up clutch piston and in the turbine zone is equal. The direction of flow is through the turbine shaft and through the space behind the piston, to the turbine chamber.

Lubrication/Cooling
The lubricating valve ensures that the converter is supplied with cooling oil first if the pump rate is low. The lubricating pressure valve in addition guarantees that the necessary amount of cooling and lubricating oil is available via the bypass duct.

The fluid, which is supplied from the torque converter, flows to the cooler via the lubrication valve.

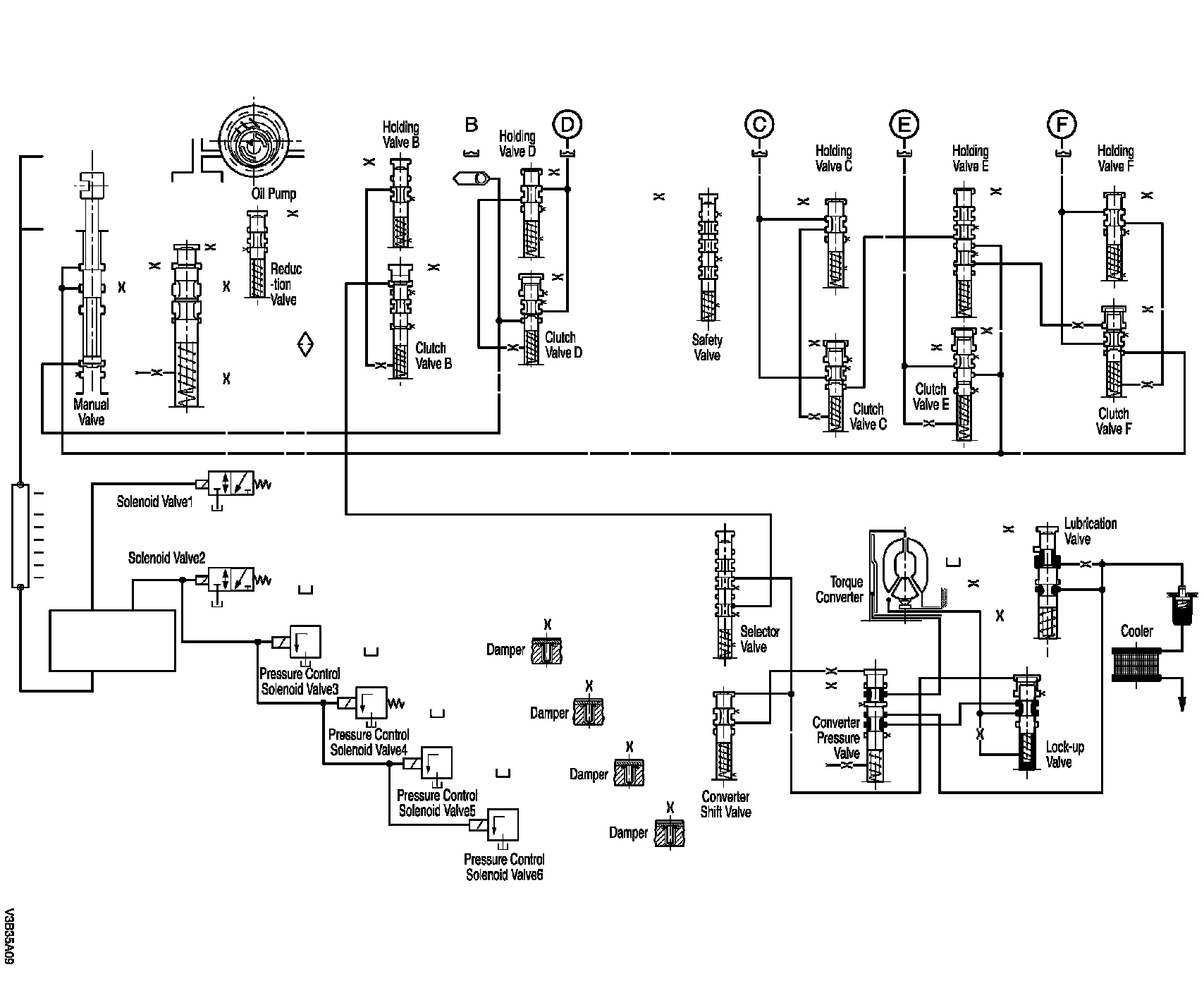
Reverse





In Reverse, transaxle drive is via the input shaft and clutch B. The elements of this transaxle function are as follows:
^ Clutch B is engaged and drives the reverse sun gear in a clockwise direction.
^ The D band is engaged and holds the planetary gear carrier (front & rear) stationary causing the differential pinion to rotate clockwise.
^ The differential rotates in a counterclockwise direction.
^ The output shaft is driven in a counterclockwise or reverse direction.

Control
Clutch B Engaged
The line pressure, which is supplied by the oil pump, is directed to clutch B via the manual valve. The position of the check ball will change allowing direct pressure to clutch B.

Brake D Engaged
The line pressure, which engaged clutch B, is also supplied to clutch valve D.

In Reverse, solenoid 1 is switched ON and EDS 4 is switched OFF. This will cause the fluid supplied to the reduction valve to flow to clutch valve D via the EDS 4.

The spool of clutch valve D will be depressed allowing fluid to pass to holding valve D.

Lock-up Clutch (TCC)
Solenoid 2 is turned ON and the line pressure control valve spool will be depressed. Fluid will now flow through the torque converter pressure valve.

As a result, the oil pressure behind the converter lock-up clutch piston and in the turbine zone is equal. The direction of flow is through the turbine shaft and through the space behind the piston, to the turbine chamber.

Lubrication/Cooling
The lubricating valve ensures that the converter is supplied with cooling oil first if the pump rate is low. The lubricating pressure valve in addition guarantees that the necessary amount of cooling and lubricating oil is available via the bypass duct.

The fluid, which is supplied from the torque converter, flows to the cooler via the lubrication valve.

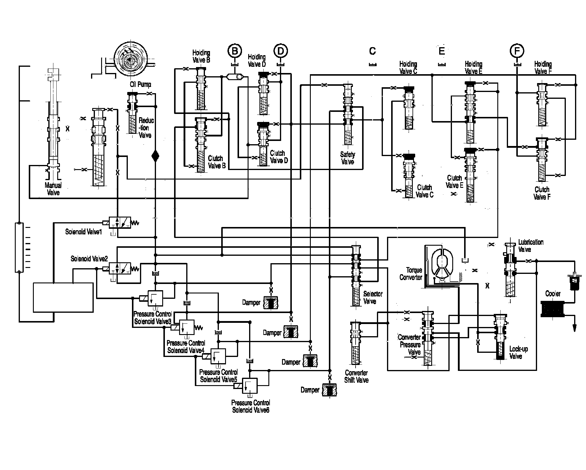
Drive Range - First Gear





In Drive 1, transaxle drive is via the input shaft to clutch B. The elements of this transaxle function are as follows:
^ Clutch B is engaged to drive the rear sun gear.
^ The rear sun gear drives the front planetary gear carrier clockwise.
^ The rear planetary gear carrier drives the front ring gear and front planetary gear carrier clockwise.

Control
Clutch B Engaged
In Park and Neutral solenoid valves 1 and 2 are both ON. Pressure control solenoids (EDS) 4 and 6 are also turned ON.

When EDS 6 is ON, the fluid supplied from the reduction valve flows to the safety valve, clutch valve B and holding valve B. The oil that is supplied to the inlet port of the clutch valve presses on the valve spool. Line pressure then flows to the holding valve and check ball, engaging clutch B.

Clutch F Engaged
EDS 5 will be switched ON. The line pressure, which passed through the reduction valve, will flow to the holding valve and the clutch valve inlet. As a result the valve spool is depressed.

Lock-up Clutch (TCC)
Solenoid 2 is turned ON and the line pressure control valve spool will be depressed. Fluid will now flow through the torque converter pressure valve.

As a result, the oil pressure behind the converter lock-up clutch piston and in the turbine zone is equal. The direction of flow is through the turbine shaft and through the space behind the piston, to the turbine chamber.

Lubrication/Cooling
The lubricating valve ensures that the converter is supplied with cooling oil first if the pump rate is low. The lubricating pressure valve in addition guarantees that the necessary amount of cooling and lubricating oil is available via the bypass duct.

The fluid, which is supplied from the torque converter, flows to the cooler via the lubrication valve.

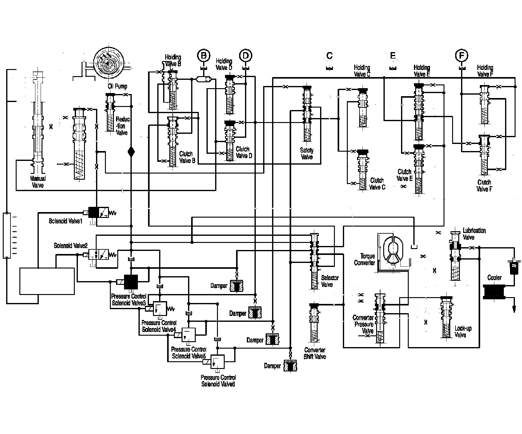
Drive Range - Second Gear





In Drive 2, the transaxle drive is via the input shaft and clutch E. The elements of this transaxle function are as follows:
^ Clutch E is applied to drive the front ring gear.
^ The front ring gear drives the front planetary gear carrier.
^ The front planetary gear carrier drives the differential pinion gear clockwise.
^ Brake F is applied holding the front sun gear stationary.

Control
Clutch E Engaged
Solenoid 2 will be switched OFF. Line pressure, which is supplied by the reduction valve, flows to the inlet port of clutch valve E. Fluid will then pass through the clutch valve and clutch E will engage.

Clutch F Engaged
EDS 5 will be switched ON. The line pressure, which passed through the reduction valve, will flow to the holding valve and the clutch valve inlet. As a result the valve spool is depressed.

Lock-up Clutch
Solenoid valve 2 is turned ON and the line pressure control valve spool will be depressed. Fluid will now flow through the torque converter pressure valve.

As a result, the oil pressure behind the converter lock-up clutch piston and in the turbine zone is equal. The direction of flow is through the turbine shaft and through the space behind the piston, to the turbine chamber.

Lubrication/Cooling
The lubricating valve ensures that the converter is supplied with cooling oil first if the pump rate is low. The lubricating pressure valve in addition guarantees that the necessary amount of cooling and lubricating oil is available via the bypass duct.

The fluid, which is supplied from the torque converter, flows to the cooler via the lubrication valve.

Drive Range - Third Gear





In Drive 3, transaxle drive is via the input shaft to clutches B and E. The elements of this transaxle function are as follows:
^ Clutches B and E are engaged to drive the rear sun gear and rear planetary gear carrier clockwise.
^ The clockwise rotation of the rear sun gear and rear planetary gear carrier will cause the front planetary gear to rotate in the same direction.

Control
Clutch B Engaged
In Park and Neutral solenoid valves 1 and 2 are both ON. Pressure control solenoids (EDS) 4 and 6 are also turned ON.

When EDS 6 is ON, the fluid supplied from the reduction valve flows to the safety valve, clutch valve B and holding valve B. The oil that is supplied to the inlet port of the clutch valve presses on the valve spool. Line pressure then flows to the holding valve and check ball, engaging clutch B.

Lock-up Clutch (TCC)
Solenoid valve 2 is turned ON and the line pressure control valve spool will be depressed. Fluid will now flow through the torque converter pressure valve.

As a result, the oil pressure behind the converter lock-up clutch piston and in the turbine zone is equal. The direction of flow is through the turbine shaft and through the space behind the piston, to the turbine chamber.

Drive Range - Fourth Gear





In Drive 4, transaxle drive is via the input shaft and clutches E and C. The elements of this transaxle function are as follows:
^ Clutch E is engaged to drive the rear planetary gear carrier.
^ The rear planetary gear carrier drives the rear ring gear.
^ The rear ring gear carrier drives the differential gear.

Control
Clutch E Engaged
Solenoid 2 will be switched OFF. Line pressure, which is supplied by the reduction valve, flows to the inlet port of clutch valve E. Fluid will then pass through the clutch valve and clutch E will engage.

Clutch C Engaged
EDS 4 will be switched OFF causing the fluid level to be high. Line pressure will be directed to the safety valve, clutch valve D and holding valve D. Clutch valve C and holding valve C will engage as pressure flows through the safety valve.

Lock-up Clutch
Solenoid valve 2 is turned ON and the line pressure control valve spool will be depressed. Fluid will now flow through the torque converter pressure valve.

As a result, the oil pressure behind the converter lock-up clutch piston and in the turbine zone is equal. The direction of flow is through the turbine shaft and through the space behind the piston, to the turbine chamber.

Drive Range - Fourth Gear; Emergency/Substitute Mode





In Drive 4, transaxle drive is via the input shaft and clutches E and C. The elements of this transaxle function are as follows:
^ Clutch E is engaged to drive the rear planetary gear carrier.
^ The rear planetary gear carrier drives the rear ring gear.
^ The rear ring gear carrier drives the differential gear.

Control
Clutch E Engaged
Solenoid 2 will be switched OFF. Line pressure, which is supplied by the reduction valve, flows to the inlet port of clutch valve E. Fluid will then pass through the clutch valve and clutch E will engage.

Clutch C Engaged
EDS 4 will be switched OFF causing the fluid level to be high. Line pressure will be directed to the safety valve, clutch valve D and holding valve D. Clutch valve C and holding valve C will engage as pressure flows through the safety valve.

Drive Range - Third Gear; Emergency/Substitute Mode





In Drive 3, transaxle drive is via the input shaft to clutches B and E. The elements of this transaxle function are as follows:
^ Clutches B and E are engaged to drive the rear sun gear and rear planetary gear carrier clockwise.
^ The clockwise rotation of the rear sun gear and rear planetary gear carrier will cause the front planetary gear to rotate in the same direction.

Control
Clutch B Engaged
In Park and Neutral solenoid valves 1 and 2 are both ON. Pressure control solenoids (EDS) 4 and 6 are also turned ON.

When EDS 6 is ON, the fluid supplied from the reduction valve flows to the safety valve, clutch valve B and holding valve B. The oil that is supplied to the inlet port of the clutch valve presses on the valve spool. Line pressure then flows to the holding valve and check ball, engaging clutch B.