Operation CHARM: Car repair manuals for everyone.
Manuals through 2025 now available!

Our trusted friends have launched a new website named LEMON, which has newer manuals. It also contains all the CHARM manuals.

LEMON is the spiritual successor to CHARM, I recommend you try it!

Link: lemon-manuals.la or lemon-manuals.org.ua

(Some people have issue connecting. LEMON is investigating. For now, use Firefox or change your DNS server)

Or, hide this message: temporarily or permanently

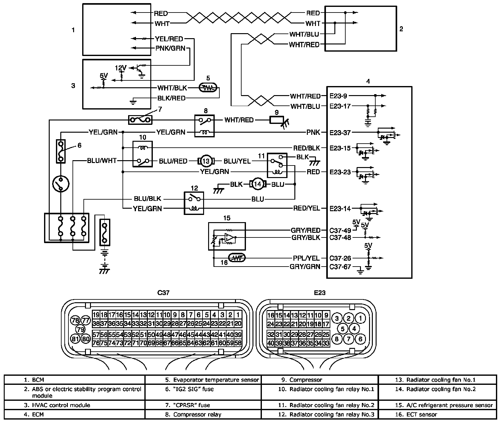
A/C System Circuits Check

A/C System Circuits Check

Wiring Diagram:




Wiring Diagram


WARNING: Keep hands, tools, and clothing away from A/C condenser fan to help prevent personal injury. This fan is electric and can come on whether or not the engine is running. The fan can start automatically in response to the ECT sensor with the ignition switch in the "ON" position.

Step 1-4 (Continued):




Step 4 (Continued)-9 (Continued):




Step 9 (Continued)-13 (Continued):




Step 13 (Continued)-15:




Troubleshooting


NOTE:
- Before performed troubleshooting, be sure to read the Precautions of ECM Circuit Inspection.
- When measuring circuit voltage, resistance and/or pulse signal at ECM connector, connect the special tool to ECM and/or the ECM connectors referring to Inspection of ECM and Its Circuits.
- When A/C evaporator outlet air temp. is below 0 °C (32 °F), A/C remains OFF. This condition is not abnormal.