Operation CHARM: Car repair manuals for everyone.
Manuals through 2025 now available!

Our trusted friends have launched a new website named LEMON, which has newer manuals. It also contains all the CHARM manuals.

LEMON is the spiritual successor to CHARM, I recommend you try it!

Link: lemon-manuals.la or lemon-manuals.org.ua

(Some people have issue connecting. LEMON is investigating. For now, use Firefox or change your DNS server)

Or, hide this message: temporarily or permanently

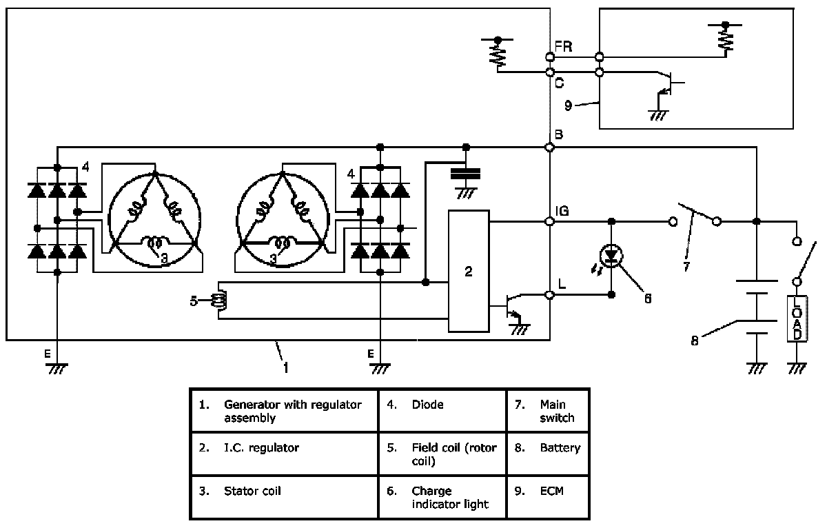
Alternator: Description and Operation

Generator Description




The basic charging system is the IC integral regulator charging system. The internal components are connected electrically as shown below.

Wiring Circuit




The generator features a solid state regulator that is mounted inside the generator. All regulator components are enclosed into a solid mold, and this unit along with the brush holder assembly is attached to the rear housing.
The generator rotor bearings contain enough grease to eliminate the need for periodic lubrication.
Two brushes carry current through the two slip rings to the field coil mounted on the rotor, and under normal conditions will provide long period of attention-free service.
The stator windings are assembled inside a laminated core that forms part of the generator frame.
A rectifier bridge connected to the stator windings contains diodes, and electrically changes the stator A.C. voltages to a D.C. voltage which appears at the generator output terminal.
The neutral diodes serve to convert the voltage fluctuation at the neutral point to direct current for increasing the generator output.