Operation CHARM: Car repair manuals for everyone.
Manuals through 2025 now available!

Our trusted friends have launched a new website named LEMON, which has newer manuals. It also contains all the CHARM manuals.

LEMON is the spiritual successor to CHARM, I recommend you try it!

Link: lemon-manuals.la or lemon-manuals.org.ua

(Some people have issue connecting. LEMON is investigating. For now, use Firefox or change your DNS server)

Or, hide this message: temporarily or permanently

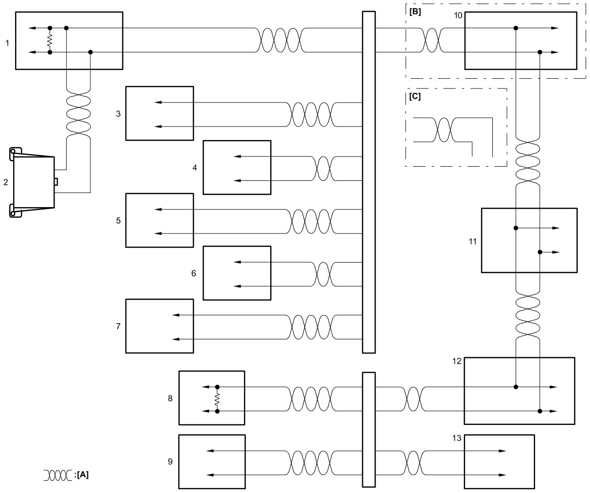
CAN Communication System Diagnosis General Description




CAN Communication System Diagnosis General Description

SUZUKI scan tool is used for diagnosis in this section. Communication method between SUZUKI scan tool and each control module and sensor is shown as below.
Special Tool
SUZUKI scan tool (SUZUKI-SDT)