ATF Temperature Sensor No. 2 Circuit
CIRCUIT DESCRIPTIONATF temperature sensor No.2 is on the transmission and just before the oil cooler inlet pipeline. If ECM detects the abnormally high temperature of ATF by this sensor, it draws driver's attention by turning the warning lamp up.
HINT:
- The temperature of ATF easily raises when toeing, climbing hills and in stack, etc.
- If the ATF temperature sensor No.2 shorts, the signal that indicates the ATF temperature is 150 °C (302 °F) or higher is input in ECM.
Vehicle conditions when sensor is in normal and when the vehicle is in short are indicated in the table.
HINT:
*1: When AT fluid temperature is in normal range, it decreases to less than 135 °C within 5 minutes with the shift lever in P or N position in a idling state.
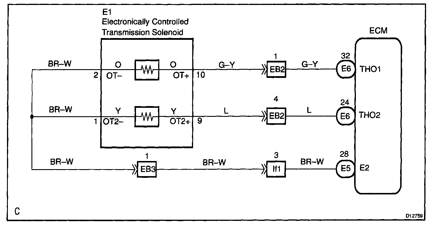
Wiring Diagram:
Step 1:
Step 2:
Step 3:
INSPECTION PROCEDURE