Operation CHARM: Car repair manuals for everyone.
Manuals through 2025 now available!

Our trusted friends have launched a new website named LEMON, which has newer manuals. It also contains all the CHARM manuals.

LEMON is the spiritual successor to CHARM, I recommend you try it!

Link: lemon-manuals.la or lemon-manuals.org.ua

(Some people have issue connecting. LEMON is investigating. For now, use Firefox or change your DNS server)

Or, hide this message: temporarily or permanently

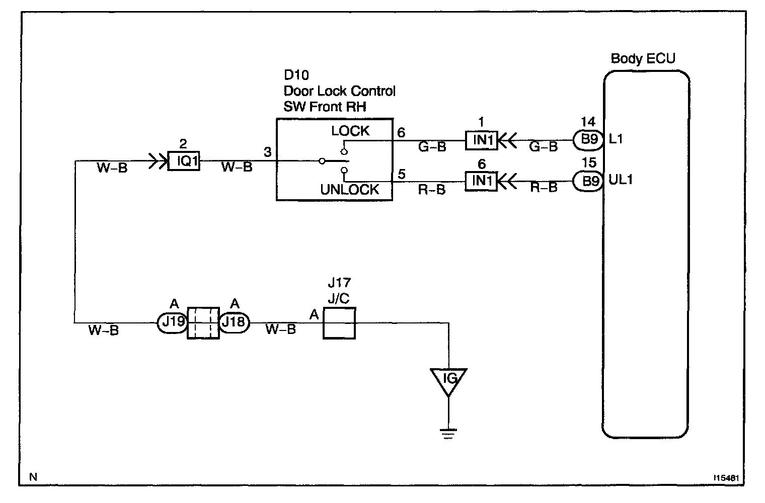
Door Lock Control Switch Circuit

CIRCUIT DESCRIPTION
Door lock control switch circuit can be checked using DTC check.

These DTC notify how switch works as follows:

If DTC is not output when operating switch, it means failure of switch contact. If DTC is output when not operating switch, it means stick of switch. When something wrong is found by this diagnosis, inspect each switch.

Then, replace the switch if there is a problem, or check the wireharness if there is no problem.

Wiring Diagram:






Step 1 - 2:




INSPECTION PROCEDURE