Operation CHARM: Car repair manuals for everyone.
Manuals through 2025 now available!

Our trusted friends have launched a new website named LEMON, which has newer manuals. It also contains all the CHARM manuals.

LEMON is the spiritual successor to CHARM, I recommend you try it!

Link: lemon-manuals.la or lemon-manuals.org.ua

(Some people have issue connecting. LEMON is investigating. For now, use Firefox or change your DNS server)

Or, hide this message: temporarily or permanently

Body Components

Front Bumper:



Rear Bumper:



Front Door:



Slide Door (Part 1):



Slide Door (Part 2):



Back Door:



Front Wiper And Washer:



Rear Wiper And Washer:



Body Outside Moulding:



Roof Drip Side Finish Moulding:



Windshield:



Slide Door Glass:



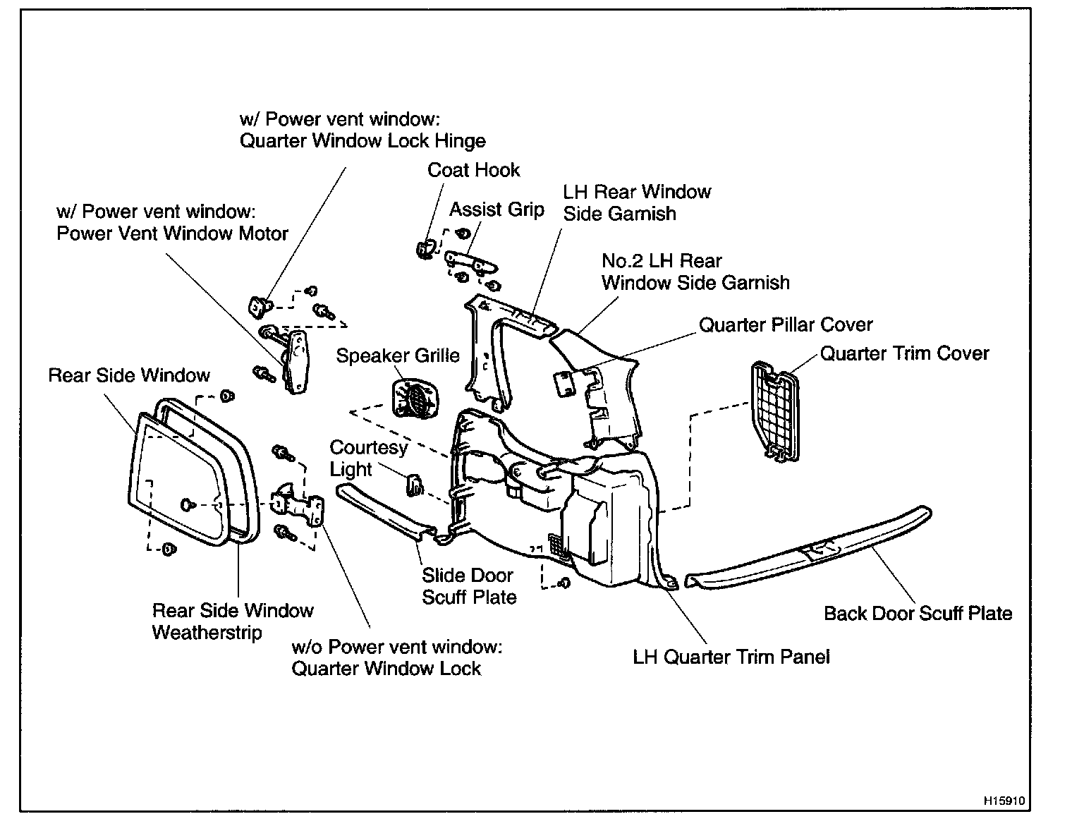
Rear Side Window Glass (LH):



Rear Side Window Glass (RH):



Back Door Glass:



Sliding Roof (Part 1):



Sliding Roof (Part 2):



Instrument Panel (Part 1):



Instrument Panel (Part 2):





Roof Headlining:



Front Seat (Power Adjuster Type):



Front Seat (Manual Adjuster Type):



Rear No.1 Seat (Separate Type LH):



Rear No.1 Seat (Separate Type RH):



Rear No.1 Seat (Bench Type) (Part 1):



Rear No.1 Seat (Bench Type) (Part 2):



Rear No.2 Seat:



Seat Belt:



Roof Rail: