Operation CHARM: Car repair manuals for everyone.
Manuals through 2025 now available!

Our trusted friends have launched a new website named LEMON, which has newer manuals. It also contains all the CHARM manuals.

LEMON is the spiritual successor to CHARM, I recommend you try it!

Link: lemon-manuals.la or lemon-manuals.org.ua

(Some people have issue connecting. LEMON is investigating. For now, use Firefox or change your DNS server)

Or, hide this message: temporarily or permanently

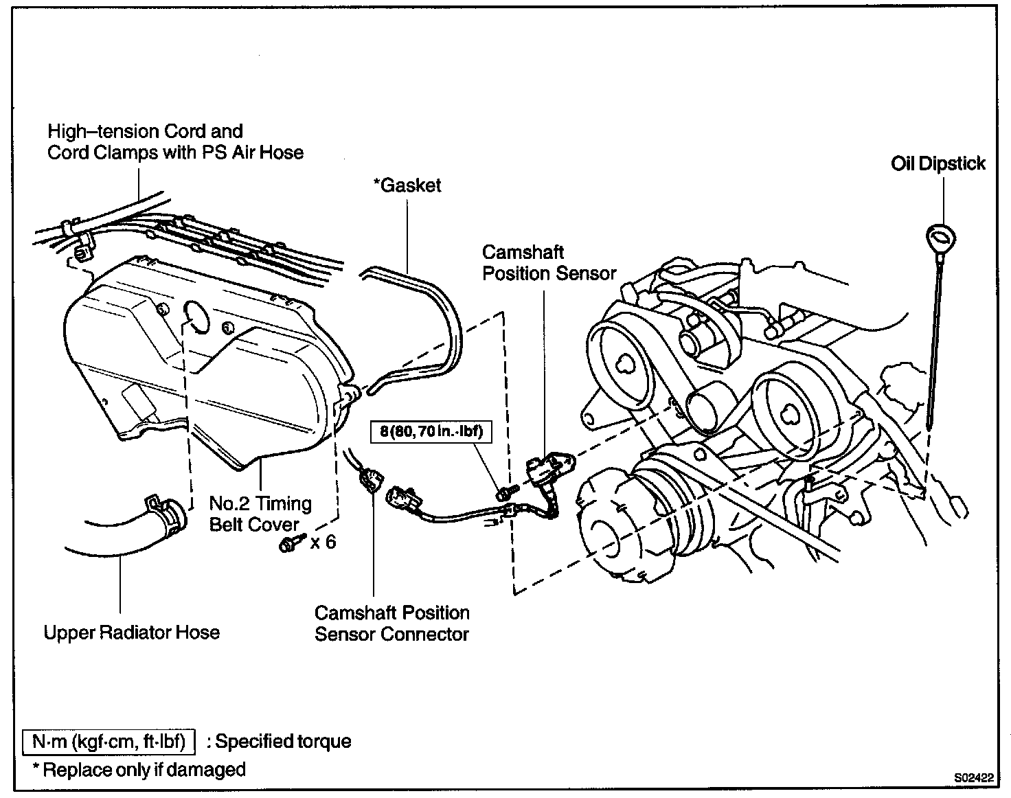
Camshaft Position Sensor: Service and Repair

Camshaft Position Sensor:






REMOVAL

1. REMOVE NO.2 TIMING BELT COVER
2. REMOVE CAMSHAFT POSITION SENSOR




a. Disconnect the camshaft position sensor connector.
b. Remove the bolt and camshaft position sensor.

INSTALLATION

1. INSTALL CAMSHAFT POSITION SENSOR




a. Install the camshaft position sensor with the bolt.

Torque: 8 N.m (80 kgf.cm, 70 in.lbf)

b. Connect the camshaft position sensor connector.

2. INSTALL NO.2 TIMING BELT COVER