Operation CHARM: Car repair manuals for everyone.
Manuals through 2025 now available!

Our trusted friends have launched a new website named LEMON, which has newer manuals. It also contains all the CHARM manuals.

LEMON is the spiritual successor to CHARM, I recommend you try it!

Link: lemon-manuals.la or lemon-manuals.org.ua

(Some people have issue connecting. LEMON is investigating. For now, use Firefox or change your DNS server)

Or, hide this message: temporarily or permanently

VC Output Circuit





1GR-FE ENGINE CONTROL: SFI SYSTEM: VC Output Circuit
- VC Output Circuit

DESCRIPTION

The ECM constantly generates a 5 V power source voltage from the battery voltage supplied to the +B (BATT) terminal to operate the microprocessor. The ECM also provides this power source voltage to the sensors through the VC output circuit.





When the VC circuit is short-circuited, the microprocessor in the ECM and sensors that are supplied with power through the VC circuit are inactivated because the power is not supplied from the VC circuit. Under this condition, the system does not start up and the MIL does not illuminate even if the system malfunctions.

HINT
Under normal conditions, the MIL is illuminated for several seconds when the ignition switch is first turned to ON, and then goes off when the engine starts.

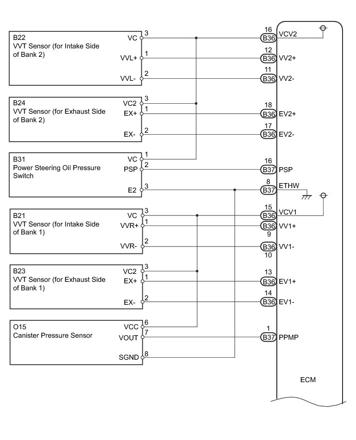
WIRING DIAGRAM









INSPECTION PROCEDURE

PROCEDURE

1. CHECK MIL

(a) Check that the Malfunction Indicator Lamp (MIL) lights up when the ignition switch is turned to ON.

OK:

MIL lights up.

NG -- CHECK COMMUNICATION BETWEEN TECHSTREAM AND ECM

OK -- SYSTEM OK

2. CHECK COMMUNICATION BETWEEN TECHSTREAM AND ECM

(a) Connect the Techstream to the DLC3.

(b) Turn the ignition switch to ON and turn the Techstream on.

(c) Check the communication between the Techstream and ECM.

Result





A -- GO TO MIL CIRCUIT Testing and Inspection
B -- Continue to next step.

3. CHECK MIL (THROTTLE BODY WITH MOTOR ASSEMBLY)

(a) Disconnect the B13 throttle body with motor assembly connector.

(b) Turn the ignition switch to ON.

(c) Check the MIL.

Result





(d) Reconnect the throttle body with motor assembly connector.

A -- REPLACE THROTTLE BODY WITH MOTOR ASSEMBLY Removal
B -- Continue to next step.

4. CHECK MIL (ACCELERATOR PEDAL SENSOR ASSEMBLY)

(a) Disconnect the A3 accelerator pedal sensor assembly connector.

(b) Turn the ignition switch to ON.

(c) Check the MIL.

Result





(d) Reconnect the accelerator pedal sensor assembly connector.

A -- REPLACE ACCELERATOR PEDAL SENSOR ASSEMBLY Removal
B -- Continue to next step.

5. CHECK MIL (VVT SENSOR FOR INTAKE SIDE OF BANK 1)

(a) Disconnect the B21 VVT sensor (for Intake Side of Bank 1) connector.

(b) Turn the ignition switch to ON.

(c) Check the MIL.

Result





(d) Reconnect the VVT sensor (for Intake Side of Bank 1) connector.

A -- REPLACE VVT SENSOR (FOR INTAKE SIDE OF BANK 1) Removal
B -- Continue to next step.

6. CHECK MIL (VVT SENSOR FOR EXHAUST SIDE OF BANK 1)

(a) Disconnect the B23 VVT sensor (for Exhaust Side of Bank 1) connector.

(b) Turn the ignition switch to ON.

(c) Check the MIL.

Result





(d) Reconnect the VVT sensor (for Exhaust Side of Bank 1) connector.

A -- REPLACE VVT SENSOR (FOR EXHAUST SIDE OF BANK 1) Removal
B -- Continue to next step.

7. CHECK MIL (VVT SENSOR FOR EXHAUST SIDE OF BANK 2)

(a) Disconnect the B24 VVT sensor (for Exhaust Side of Bank 2) connector.

(b) Turn the ignition switch to ON.

(c) Check the MIL.

Result





(d) Reconnect the VVT sensor (for Exhaust Side of Bank 2) connector.

A -- REPLACE VVT SENSOR (FOR EXHAUST SIDE OF BANK 2) Removal
B -- Continue to next step.

8. CHECK MIL (VVT SENSOR FOR INTAKE SIDE OF BANK 2)

(a) Disconnect the B22 VVT sensor (for Intake Side of Bank 2) connector.

(b) Turn the ignition switch to ON.

(c) Check the MIL.

Result





(d) Reconnect the VVT sensor (for Intake Side of Bank 2) connector.

A -- REPLACE VVT SENSOR (FOR INTAKE SIDE OF BANK 2) Removal
B -- Continue to next step.

9. CHECK MIL (CANISTER PUMP MODULE)

(a) Disconnect the O15 canister pump module connector.





(b) Turn the ignition switch to ON.

(c) Check the MIL.

Result





(d) Reconnect the canister pump module connector.

A -- REPLACE CANISTER ASSEMBLY Removal
B -- Continue to next step.

10. CHECK MIL (POWER STEERING OIL PRESSURE SWITCH)

(a) Disconnect the B31 power steering oil pressure switch connector.

(b) Turn the ignition switch to ON.

(c) Check the MIL.

Result





(d) Reconnect the power steering oil pressure switch connector.

A -- REPLACE POWER STEERING OIL PRESSURE SWITCH Removal
B -- Continue to next step.

11. CHECK HARNESS AND CONNECTOR

(a) Disconnect the B13 throttle body with motor assembly connector.

(b) Disconnect the A3 accelerator pedal sensor assembly connector.

(c) Disconnect the B21 VVT sensor (for Intake Side of Bank 1) connector.

(d) Disconnect the B23 VVT sensor (for Exhaust Side of Bank 1) connector.

(e) Disconnect the B24 VVT sensor (for Exhaust Side of Bank 2) connector.

(f) Disconnect the B22 VVT sensor (for Intake Side of Bank 2) connector.

(g) Disconnect the O15 canister pump module connector.

(h) Disconnect the B31 power steering oil pressure switch connector.

(i) Disconnect the B36, B38 and F50 ECM connectors.

(j) Measure the resistance according to the value(s) in the table below.

Standard Resistance:





(k) Reconnect the throttle body with motor assembly connector.

(l) Reconnect the accelerator pedal sensor assembly connector.

(m) Reconnect the VVT sensor connectors.

(n) Reconnect the canister pump module connector.

(o) Reconnect the power steering oil pressure switch connector.

(p) Reconnect the ECM connectors.

NG -- REPAIR OR REPLACE HARNESS OR CONNECTOR

OK -- REPLACE ECM Removal