Operation CHARM: Car repair manuals for everyone.
Manuals through 2025 now available!

Our trusted friends have launched a new website named LEMON, which has newer manuals. It also contains all the CHARM manuals.

LEMON is the spiritual successor to CHARM, I recommend you try it!

Link: lemon-manuals.la or lemon-manuals.org.ua

(Some people have issue connecting. LEMON is investigating. For now, use Firefox or change your DNS server)

Or, hide this message: temporarily or permanently

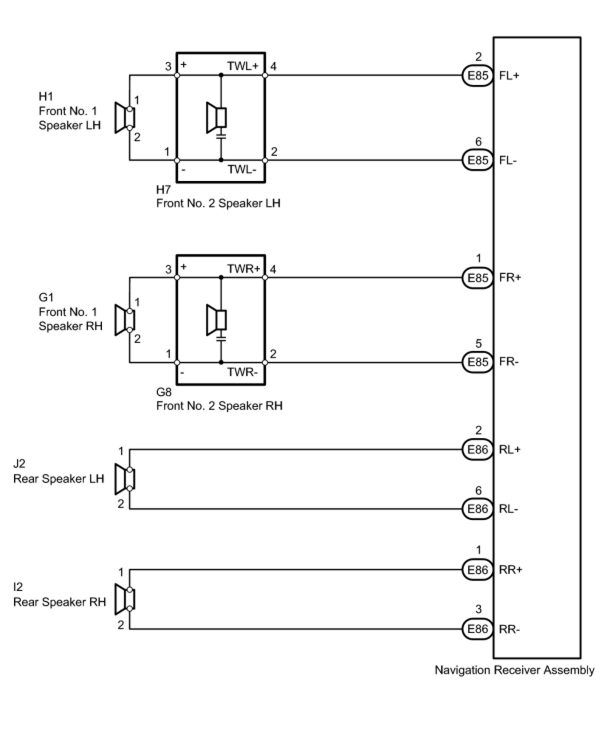
Speaker Circuit





NAVIGATION: NAVIGATION SYSTEM (w/ CD Player): Speaker Circuit
- Speaker Circuit

DESCRIPTION

When the vehicle has a built-in type amplifier, a sound signal is sent from the navigation receiver assembly to the speakers through this circuit.

WIRING DIAGRAM





INSPECTION PROCEDURE

PROCEDURE

1. CHECK SPEAKER

(a) Check that the speakers sound.

Result





D -- PROCEED TO NEXT SUSPECTED AREA SHOWN IN PROBLEM SYMPTOMS TABLE Problem Symptoms Table

C -- CHECK HARNESS AND CONNECTOR (NAVIGATION RECEIVER ASSEMBLY - REAR NO. 1 SPEAKER)

B -- CHECK HARNESS AND CONNECTOR (NAVIGATION RECEIVER ASSEMBLY - FRONT NO. 2 SPEAKER)
A -- Continue to next step.

2. CHECK FRONT NO. 2 SPEAKER ASSEMBLY

(a) Check that the front No. 2 speakers sound.

OK:

Speakers sound.

NG -- CHECK HARNESS AND CONNECTOR (NAVIGATION RECEIVER ASSEMBLY - FRONT NO. 2 SPEAKER)
OK -- Continue to next step.

3. INSPECT FRONT NO. 2 SPEAKER ASSEMBLY

(a) Disconnect the H7 or G8 speaker connector.





(b) Measure the resistance of the speaker.

Standard Resistance:





HINT
*1: for LH

*2: for RH

NG -- REPLACE FRONT NO. 2 SPEAKER ASSEMBLY Removal
OK -- Continue to next step.

4. CHECK HARNESS AND CONNECTOR (FRONT NO. 1 SPEAKER - FRONT NO. 2 SPEAKER)

(a) Disconnect the H1 and H7, or G1 and G8 speaker connectors.





(b) Measure the resistance of the wire harness side connectors.

Standard Resistance:





NG -- REPAIR OR REPLACE HARNESS OR CONNECTOR

OK -- REPLACE FRONT NO. 1 SPEAKER ASSEMBLY Removal

5. CHECK HARNESS AND CONNECTOR (NAVIGATION RECEIVER ASSEMBLY - FRONT NO. 2 SPEAKER)

(a) Disconnect the E85 receiver connector.





(b) Disconnect the H7 or G8 speaker connector.

(c) Measure the resistance of the wire harness side connectors.

Standard Resistance:





NG -- REPAIR OR REPLACE HARNESS OR CONNECTOR
OK -- Continue to next step.

6. INSPECT FRONT NO. 2 SPEAKER ASSEMBLY

(a) Check that the malfunction disappears when another speaker in good condition is installed.

OK:

Malfunction disappears.

HINT
* Connect all connectors to speakers.
* When there is a possibility that either the right or left front speaker is defective, inspect by interchanging the right one with the left one.

NG -- PROCEED TO NEXT SUSPECTED AREA SHOWN IN PROBLEM SYMPTOMS TABLE Problem Symptoms Table

OK -- REPLACE FRONT NO. 2 SPEAKER ASSEMBLY Removal

7. CHECK HARNESS AND CONNECTOR (NAVIGATION RECEIVER ASSEMBLY - REAR NO. 1 SPEAKER)

(a) Disconnect the E86 receiver connector.





(b) Disconnect the J2 or I2 receiver connector.

(c) Measure the resistance of the wire harness side connectors.

Standard Resistance:





NG -- REPAIR OR REPLACE HARNESS OR CONNECTOR
OK -- Continue to next step.

8. INSPECT REAR NO. 1 SPEAKER ASSEMBLY

(a) Check the rear No. 1 speakers Removal.

OK:

Rear No. 1 speakers are normal.

NG -- REPLACE REAR NO. 1 SPEAKER ASSEMBLY Removal

OK -- PROCEED TO NEXT SUSPECTED AREA SHOWN IN PROBLEM SYMPTOMS TABLE Problem Symptoms Table