Operation CHARM: Car repair manuals for everyone.
Manuals through 2025 now available!

Our trusted friends have launched a new website named LEMON, which has newer manuals. It also contains all the CHARM manuals.

LEMON is the spiritual successor to CHARM, I recommend you try it!

Link: lemon-manuals.la or lemon-manuals.org.ua

(Some people have issue connecting. LEMON is investigating. For now, use Firefox or change your DNS server)

Or, hide this message: temporarily or permanently

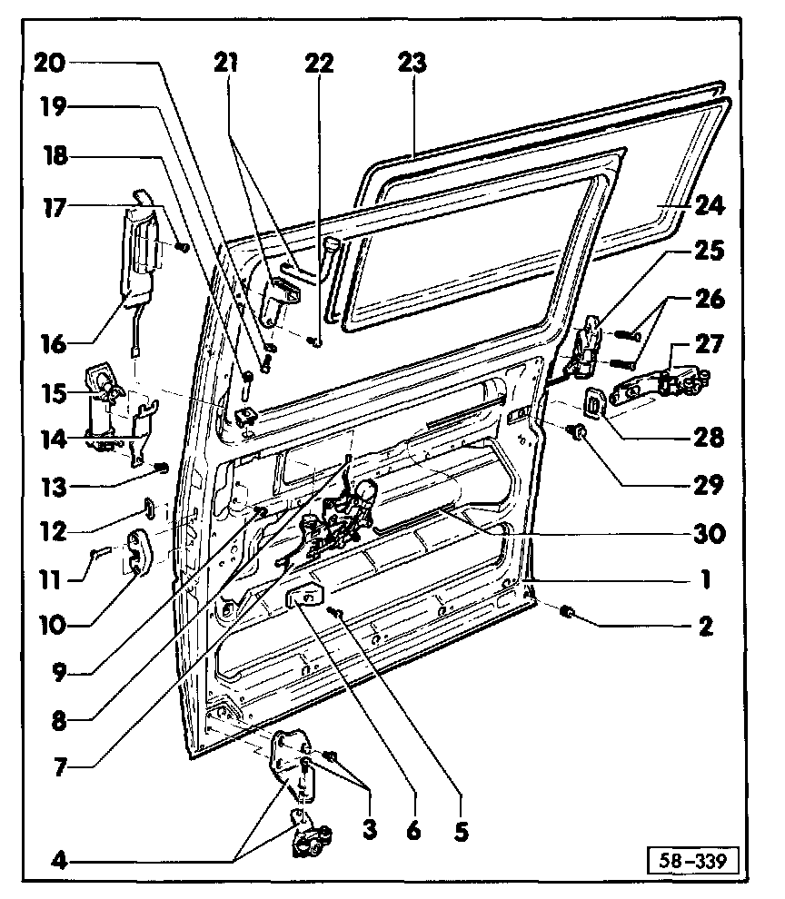
Sliding Door









1 - Sliding door
- Removing See 'Service and Repair.' Service and Repair
- Adjusting See 'Adjustments.' Adjustments
2 - Rubber buffer
3 - Screw
- 19 Nm (14 ft lb)
4 - Lower roller guide assembly
5 - Screw
- 19 Nm (14 ft lb)
6 - Center stop
7 - Remote control
8 - Lock rod
9 - Screw
- 8.0 Nm (71 in. lb)
10 - Catch plate
11 - Phillips screw
- 19 Nm (14 ft lb)
12 - Trim plate
13 - Screw
- 19 Nm (14 ft lb)
14 - Tension spring
15 - Outside door handle
- Removing See 'Door Handle.' Service and Repair
16 - Inside door handle
17 - Allen screw
- 8.0 Nm (71 in. lb)
18 - Lock knob
- Screwed into pull rod
19 - Screw
- 8.0 Nm (71 in. lb)
20 - Washer
21 - Upper roller guide assembly
22 - Screw
- 8.0 Nm (71 in. lb)
23 - Window frames
- Destroyed during removal
24 - Sliding door window
- Flush-bonded window See 'Windows and Glass.' Windows
- Sliding window, repairing See 'Windows and Glass.' Windows
25 - Rotary switch
26 - Phillips screw
- 19 Nm (14 ft lb)
27 - Hinge link
28 - Seal
29 - Bolt w/washer
- 54 Nm (40 ft lb)
30 - Pull rod
- Connects remote control lock to rotary catch