Operation CHARM: Car repair manuals for everyone.
Manuals through 2025 now available!

Our trusted friends have launched a new website named LEMON, which has newer manuals. It also contains all the CHARM manuals.

LEMON is the spiritual successor to CHARM, I recommend you try it!

Link: lemon-manuals.la or lemon-manuals.org.ua

(Some people have issue connecting. LEMON is investigating. For now, use Firefox or change your DNS server)

Or, hide this message: temporarily or permanently

Unit Replacement


NOTE: For removing and installing transmissions in vehicles produced from January 1996, refer to Models Produced From January 1996.

Removal
- Install support frames 3250 before lifting vehicle.





- Remove left-hand drive shaft/wheel hub bolt -arrow,
- Obtain radio code on vehicles with coded radio.
- Disconnect battery ground strap.
- Remove battery covering.





- Remove bolts -1- and fold radiator out in direction of arrow.
- Disconnect upper white connector from transmission (Transmission Vehicle Speed Sensor -G38-)
- Remove upper engine/transmission connecting bolts.
- Remove noise insulation tray.





- Disconnect electrical connections -1- to -3- from transmission.
1 - Valve body connection
2 - Vehicle Speed Sensor -G68- (black connector)
3 - Multi-Function Transmission Range (TR) Switch -F125-
Remove multi-function switch wiring, with bracket, from transmission and place to side.
- Remove starter.
- Disconnect speedometer drive shaft from bearing housing, or
- Pull speedometer connector off bearing housing.





- Remove transmission carrier -A- from engine and bearing housing -B-.
- Disconnect front exhaust pipe at exhaust manifold.





- Remove bolts -arrows- from cover plate.





- Remove nut -arrow- from torque converter (Qty. 3).
- Disconnect both drive shafts at flanges.
- Raise right-hand drive shaft and secure.





- Separate left-hand wheel bearing housing/lower axle link bolted connection.
- Remove bolt for left-hand shock absorber/stabilizer bar coupling rod.
- Compress left-hand shock absorber.
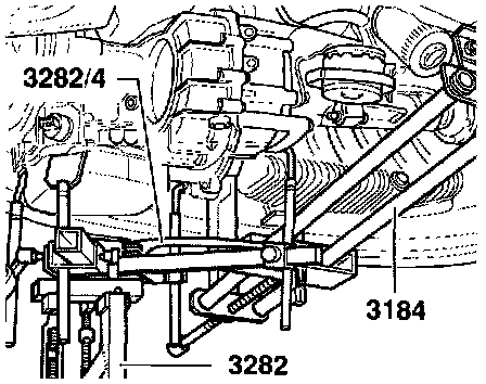
- Install removal device 3184 to support engine/transmission:





- Attach engine support to engine block.

NOTE: Engine support 3230 shown, vehicles with 5-cylinder engine, use engine support 3227





- Attach auxiliary support 3184/1 for removal device 3184 into cross panel -arrows-.
If necessary, remove wiring harness and lines from cross panel.





- Attach removal device 3184 into auxiliary support 3184/1 and into subframe -A-.
- Thread spindle -C- into hole on engine mounting.
- Align 3184 removal device so that slide -B- is resting against right hand tube -arrow-.
- Secure 3184 removal device to subframe -A- and to auxiliary support 3184/1 by tightening angle plates.
- Release weight from subframe using spindle -C- to raise engine/ transmission.





- Remove bonded rubber mounting from rear of assembly carrier -arrows-.
- Remove all bolts (A, B and C) and remove bonded rubber mounting.





- Unbolt bearing bracket -A- from bonded rubber mounting at body -arrow 1 -.
- Lower engine using removal device spindle.
- Unbolt bearing block -A- from transmission -arrow 2-





- Carefully swivel engine/transmission forward and lower, ensuring that selector lever cable, multi-function switch and drive shafts are not damaged.
To swivel forward: turn spindle -13- to left
To swivel back: turn spindle -B- to right

NOTE: Ensure that selector lever cable is not overstressed.

- Unclip selector lever cable securing clips and remove selector lever cable.
- Clamp-off ATF cooler hoses with 3094 clamps or equivalent and remove hoses from ATF cooler.
- Tilt engine/transmission further forward and lower.
Ensure sufficient clearance between engine and vehicle longitudinal member, if necessary loosen Generator and remove tensioning bracket from engine.
- Remove left-hand drive shaft to ensure multi-function switch is not damaged.





- Set up transmission support 3282.
- Remove bearing housing securing bolt -arrow- to enable transmission mounting hook to be inserted.
Use the transmission mount 3282 with the adjusting plate 3282/4 for removing the automatic transmission 01P.

NOTE: The symbols on the adjusting plate indicate the adapters required.





- Move VAG 1383 A jack with transmission mount 3282 under transmission and support it.

- Remove lower engine/transmission connecting bolts.
- Press transmission off engine and press torque converter out of drive plate.
- Press torque converter against ATF pump.
- Lower transmission slightly.
- Tilt transmission forward and guide right-hand drive flange past removal device 3184.
- Swivel transmission and carefully lower.
- Secure torque converter to prevent it from falling out.

Transporting The Automatic Transmission
- Special tool 3336 may be used to transport the automatic transmission and when setting up transmission mount 3282.





Secure special tool 3336 to transmission housing flange.
Position pins so that 8 holes are visible in chain direction.

Installation
Installation is performed in the reverse order, noting the information below.

When installing the torque converter, ensure that both drive pins engage in the ATF pump inner wheel recesses.
- Before installing, ensure that dowel sleeves for aligning engine/ transmission are correctly located.
- When swinging transmission in install both drive shaft flanges in flange shafts.





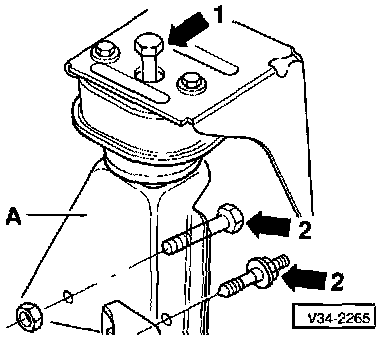
- Before lifting engine/transmission securely tighten bearing block -A- bolts -arrows 2-.
- After lifting engine/transmission, securely tighten bolt -arrow 1





- Ensure that bonded rubber mounting lugs -arrow- are seated correctly in bracket.

CAUTION: Do not remove 3184 removal device until the bolts securing the left-hand bearing bracket have been securely tightened.

- Replace selector cable anchorage locking washer.
- Check selector lever cable adjustment, adjust if necessary. Adjustments





- First tighten transmission carrier -A- to bearing housing -B- and then to engine.

Tightening Torques:
- Refer to the following table during installation: