Operation CHARM: Car repair manuals for everyone.
Manuals through 2025 now available!

Our trusted friends have launched a new website named LEMON, which has newer manuals. It also contains all the CHARM manuals.

LEMON is the spiritual successor to CHARM, I recommend you try it!

Link: lemon-manuals.la or lemon-manuals.org.ua

(Some people have issue connecting. LEMON is investigating. For now, use Firefox or change your DNS server)

Or, hide this message: temporarily or permanently

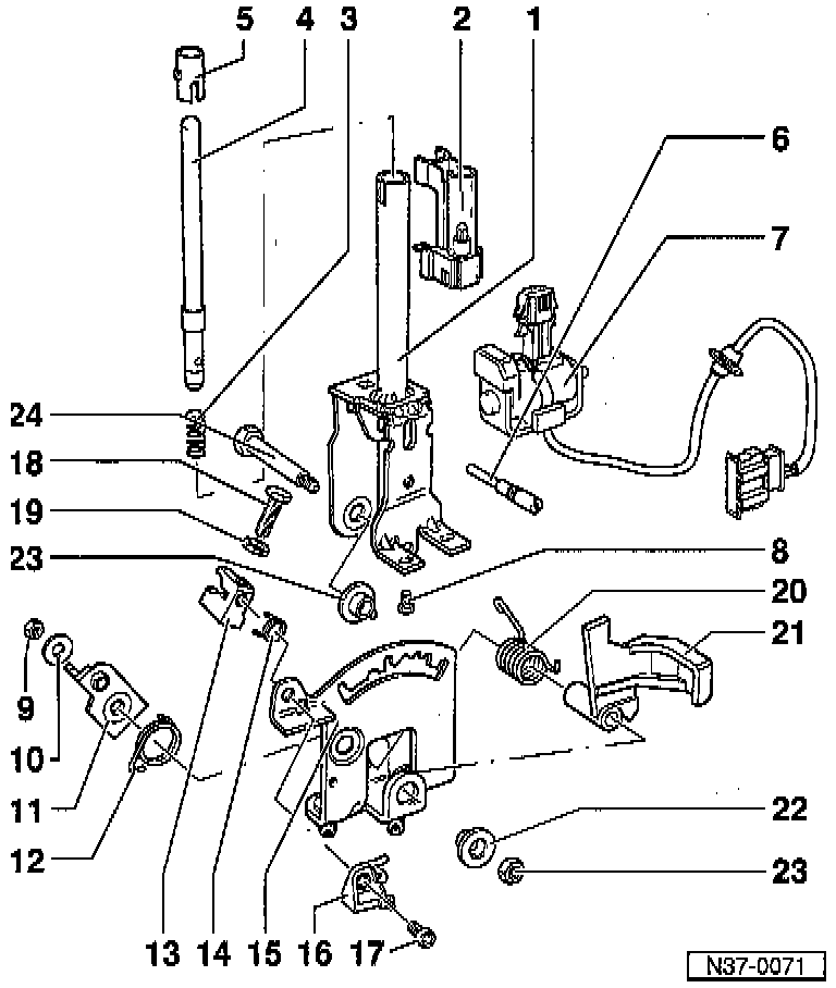
Shifter A/T






LEGEND
1 Selector lever
2 Indicator lighting
3 Spring
4 Pressure rod
5 Guide sleeve
6 Set screw
7 Shift Lock Solenoid
8 Screw
9 Nut
10 Washer
11 Locking lever For ignition key removal lock
12 Spring
13 Retainer For locking cable
14 Spring
15 Detent plate
16 Locking pin
17 Hex socket-head screw,
18 Screw
19 Washer
20 Spring
21 Lever
22 Bushing
23 Nut
24 Bolt