Operation CHARM: Car repair manuals for everyone.
Manuals through 2025 now available!

Our trusted friends have launched a new website named LEMON, which has newer manuals. It also contains all the CHARM manuals.

LEMON is the spiritual successor to CHARM, I recommend you try it!

Link: lemon-manuals.la or lemon-manuals.org.ua

(Some people have issue connecting. LEMON is investigating. For now, use Firefox or change your DNS server)

Or, hide this message: temporarily or permanently

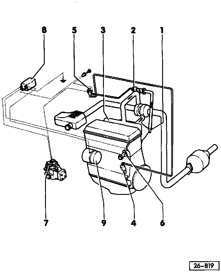
Exhaust Gas Recirculation System, Overview



Exhaust Gas Recirculation System, Overview





Exhaust gas is removed from the exhaust manifold -1- and entered into the intake manifold -3- via the EGR Vacuum Regulator solenoid valve -2-. Actuation is by vacuum from vacuum pump -4- while control is provided by the automatic glow period Control Module J179 -8- via the EGR two-way valve N161, -5-. When engine is cold, or under full load, or in certain rpm ranges and at altitudes above 3300 feet the EGR is switched off as follows:

- At temperatures below +50 °C (engine cold) the EGR is switched off via the Engine Coolant Temperature sensor G27, -6-

- The EGR Part Throttle switch - F166-, -7- for EGR (on the injection pump) ensures that exhaust gas is only recirculated during part throttle operation

- Engine speed limiting is affected by the automatic glow period Control Module J179, -8- and Generator terminal W -9-. When engine speed exceeds 1200 rpm, EGR is interrupted for 2 seconds and when engine speed exceeds 3200 rpm, EGR is switched off

- At altitudes over approx. 3300 feet, EGR is switched off by altitude correction features in the automatic glow period Control Module -8-