Operation CHARM: Car repair manuals for everyone.
Manuals through 2025 now available!

Our trusted friends have launched a new website named LEMON, which has newer manuals. It also contains all the CHARM manuals.

LEMON is the spiritual successor to CHARM, I recommend you try it!

Link: lemon-manuals.la or lemon-manuals.org.ua

(Some people have issue connecting. LEMON is investigating. For now, use Firefox or change your DNS server)

Or, hide this message: temporarily or permanently

Ignition System: Service and Repair



IGNITION SYSTEM COMPONENTS, SERVICING

NOTE:
- Only the components that specifically relate to the ignition system are dealt with in this Repair Group.
- The fuel injection and ignition system Engine Control Module (ECM) is equipped with On Board Diagnostic (OBD) capability and Diagnostic Trouble Code (DTC) memory.
- Components marked with an asterisk (*) are checked by the On Board Diagnostic program.
- Check DTC memory before carrying out troubleshooting and repairs.

NOTE: Motronic Engine Control Module (ECM) J220* with connector, see item 16 in "Fuel Injection System Components, Replacing". Service and Repair





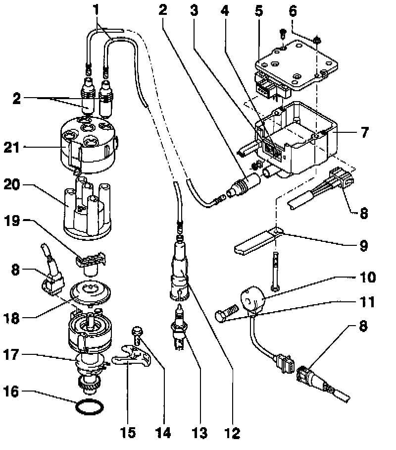
1 - High-voltage ignition cable
- Ignition secondary circuit
- Check for continuity
2 - Suppressor
- Resistance: 0.6-1.4 k Ohms
3 - Ignition coil terminal 1
4 - Ignition coil terminal 15
5 - Ignition coil power output stage -N157-*
6 - 10 Nm (7 ft lb)
7 - Ignition coil -N152-
8 - Harness connector
- 3-pin
9 - Ground (GND) strap
10 - Knock Sensor (KS) 1 -G61-*
11 - 20 Nm (15 ft lb)
- Tightening torque influences knock sensor function
12 - Spark plug connector
- Use 3277 when pulling off and pushing on
- Resistance: 4-6 k Ohms
13 - Spark plug
- Tightening torque: 30 Nm (22 ft lb)
- Remove and install with 3122B
14 - 25 Nm (18 ft lb)
15 - Clamp
16 - O-ring
- Replace if damaged
17 - Distributor with Camshaft Position (CMP) sensor -G40-*
18 - Dust cap
19 - Rotor arm
- Marking: R1
- Resistance: 0.6-1.4 k Ohms
20 - Distributor cap
- Check for cracks and signs of tracking
- Check contact wear
- Clean before fitting
- Check carbon brush for wear and freedom of movement
21 - Shielding cap