Operation CHARM
: Car repair manuals for everyone.
Home
>>
Volkswagen
>>
1995
>>
Passat Sedan (3A2) V6-2.8L (AAA)
>>
Repair and Diagnosis
>>
Diagrams
>>
Exploded Views
>>
Brake Caliper
>>
Front
Manuals through 2025 now available!
Our trusted friends have launched a new website named LEMON, which has newer manuals. It also contains all the CHARM manuals.
LEMON is the spiritual successor to CHARM, I recommend you try it!
Link:
lemon-manuals.la
or
lemon-manuals.org.ua
(Some people have issue connecting. LEMON is investigating. For now, use Firefox or change your DNS server)
Or, hide this message:
temporarily
or
permanently
Front
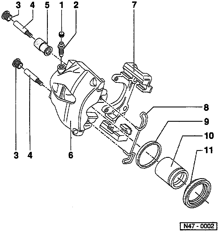
Exploded View Of Teves/ATE Front Caliper:
Legend
1
Protective Seal
2
Bleed Valve
3
Cap
4
Guide Pin
5
Mounting Bushing
6
Brake Cylinder Housing
7
Brake Carrier
8
Retaining Spring
9
Piston Seal
10
Piston
11
Protective Seal