Operation CHARM: Car repair manuals for everyone.
Manuals through 2025 now available!

Our trusted friends have launched a new website named LEMON, which has newer manuals. It also contains all the CHARM manuals.

LEMON is the spiritual successor to CHARM, I recommend you try it!

Link: lemon-manuals.la or lemon-manuals.org.ua

(Some people have issue connecting. LEMON is investigating. For now, use Firefox or change your DNS server)

Or, hide this message: temporarily or permanently

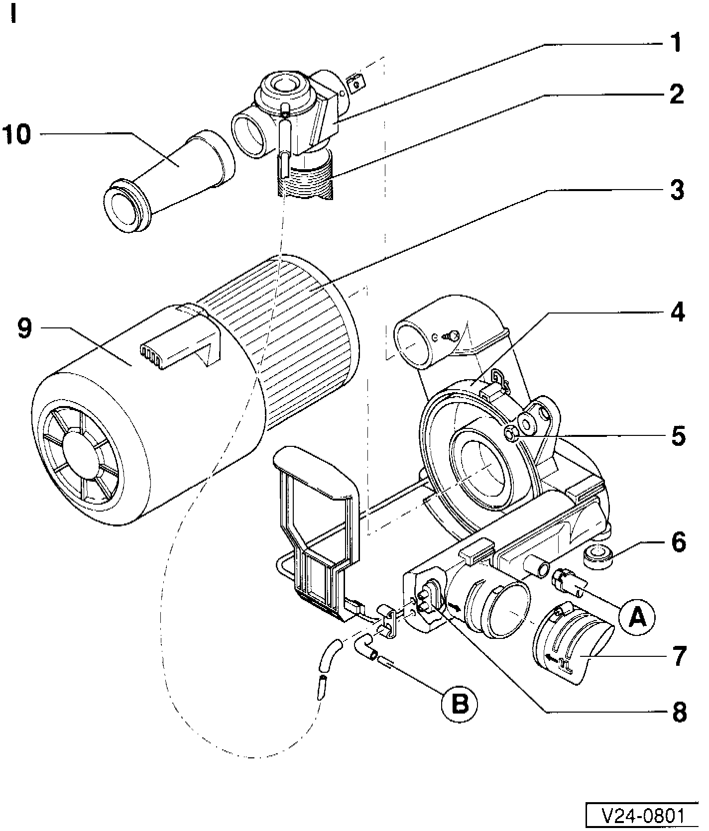
System Diagram





1 - Inlet Air pre-heater housing
^ with regulating flap for intake air preheating
^ note that there are 2 screws securing the
pre-heater to the Air Cleaner housing elbow (only
one is shown in the image)

2 - Hose
^ from warm air collector plate on exhaust manifold

3 - Air Cleaner element
4 - Air Cleaner housing
5 - 20 Nm (15 ft lb)
6 - Rubber washer
7 - Intake hose
^ note installed position

8 - Temperature regulator
^ for intake air preheating
^ metal connecting port (or notch) toward flap

9 - Air Cleaner element housing
10 - Inlet air snorkel
^ note installed position