Operation CHARM: Car repair manuals for everyone.
Manuals through 2025 now available!

Our trusted friends have launched a new website named LEMON, which has newer manuals. It also contains all the CHARM manuals.

LEMON is the spiritual successor to CHARM, I recommend you try it!

Link: lemon-manuals.la or lemon-manuals.org.ua

(Some people have issue connecting. LEMON is investigating. For now, use Firefox or change your DNS server)

Or, hide this message: temporarily or permanently

Engine Control Module: Diagrams

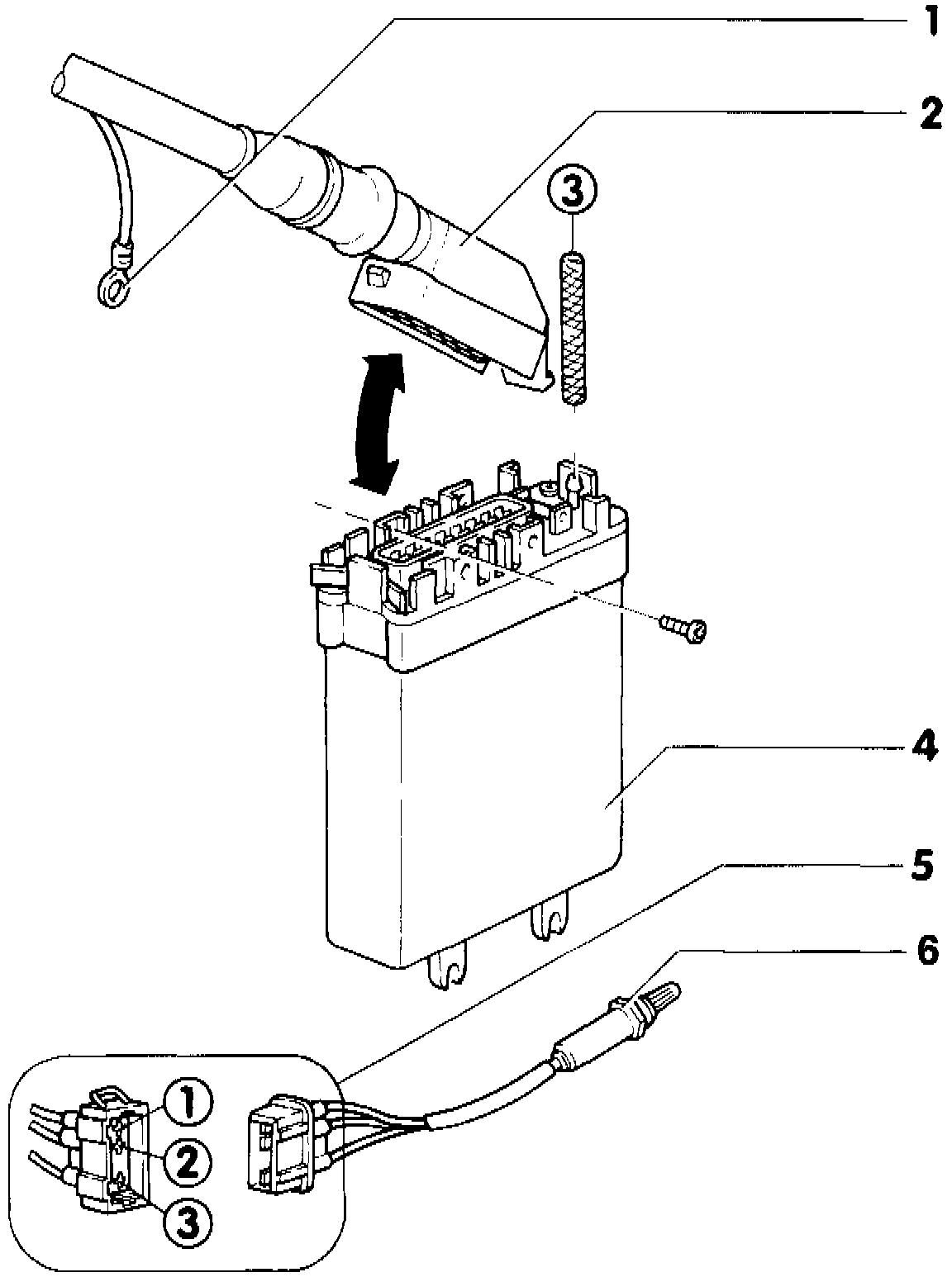
Digifant ECM





1 - Ground connection
^ connected to chassis

2 - Digifant Engine Control Module (ECM) harness connector
^ switch OFF ignition before disconnecting/connecting
^ 38-pin

3 - Vacuum line
^ to intake hose of return valve between intake hose and brake booster
^ for Manifold Absolute Pressure (MAP) sensor (G71) inside of Digifant ECM (J169)

4 - Digifant Engine Control Module (J169)
^ for fuel injection system, Oxygen sensor control, knock control, rpm governor, ignition system and On-Board Diagnostic (OBD)
^ with Manifold Absolute Pressure sensor (G71)
^ if replaced, perform idle check
^ location: left engine compartment

5 - Harness connector
^ 3-pin
^ for Heated Oxygen Sensor (HO2S) (G39) and
for Oxygen Sensor heater
^ mounted on right sub assembly

6 - Heated Oxygen Sensor (G39)
^ 50 Nm (37 ft lb)
^ Location: in front exhaust pipe
^ lubricate threads with G5, but do not allow G5
to enter slotted area of probe
^ voltage supply for probe heating via fuel pump relay
^ check voltage supply between terminals 1 (red/black) and 2 (brown)
with engine running: approximately battery voltage
^ check Oxygen sensor heater wires (white) for continuity