Operation CHARM: Car repair manuals for everyone.
Manuals through 2025 now available!

Our trusted friends have launched a new website named LEMON, which has newer manuals. It also contains all the CHARM manuals.

LEMON is the spiritual successor to CHARM, I recommend you try it!

Link: lemon-manuals.la or lemon-manuals.org.ua

(Some people have issue connecting. LEMON is investigating. For now, use Firefox or change your DNS server)

Or, hide this message: temporarily or permanently

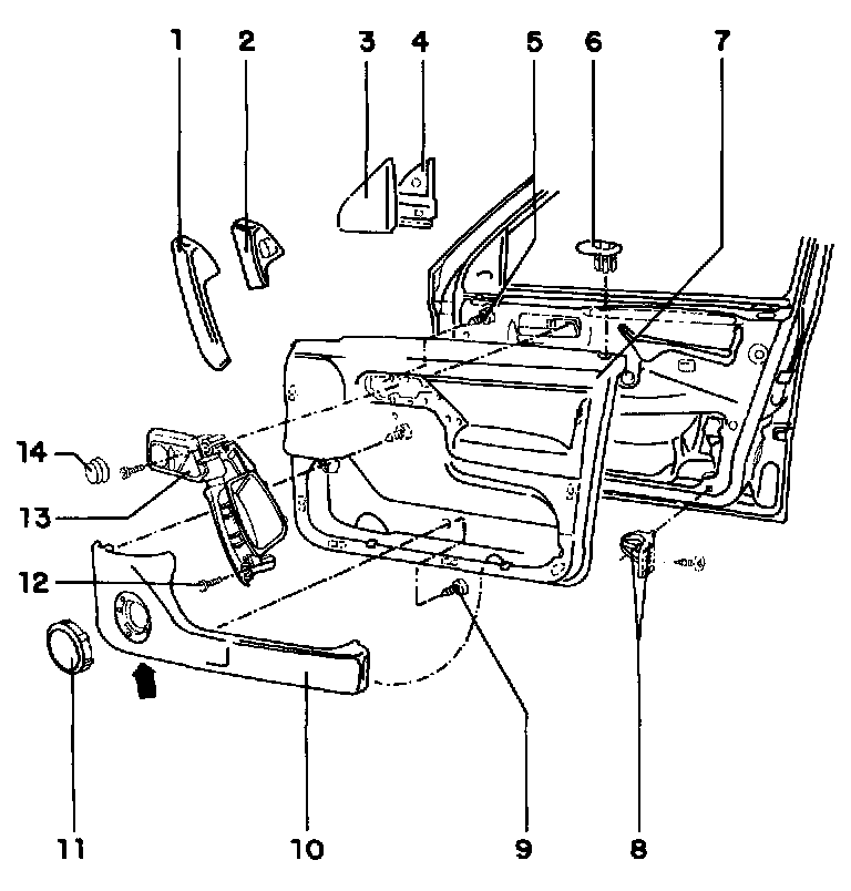
Front Door Panel

Front door trim, removing and installing

Exploded View:






1. Cover
Clipped into door/door pull

2. Cover
For vehicles with power windows
Clipped into door/door pull

3. Cover plate
Pull off of door frame (clipped)

4. Insulating plate

5. Screw
To secure door handle
Quantity: 6

6. Trim piece
According to equipment level, with LED

7. Door trim panel
Removal, refer to Front Door Trim, Removing and Installing
Removing window crank, refer to Window Crank Handle Service and Repair

8. Securing clip
Two-piece

9. Screw
To secure door tray
Quantity: 6

10. Door tray
Secured by screws through rear of trim
Speaker mounted to door tray

11. Speaker cover
To remove press down retaining lugs using screwdriver through opening in door tray (arrow)

12. Screw

13. Door handle
Secured by screw through rear of trim

14. Control knob
Connected on inside opener plate

Removing door tray with speaker






Door trim panel removed
Unclip speaker cover.
Remove screws and lift door tray upward out of openings (arrows).