Operation CHARM: Car repair manuals for everyone.
Manuals through 2025 now available!

Our trusted friends have launched a new website named LEMON, which has newer manuals. It also contains all the CHARM manuals.

LEMON is the spiritual successor to CHARM, I recommend you try it!

Link: lemon-manuals.la or lemon-manuals.org.ua

(Some people have issue connecting. LEMON is investigating. For now, use Firefox or change your DNS server)

Or, hide this message: temporarily or permanently

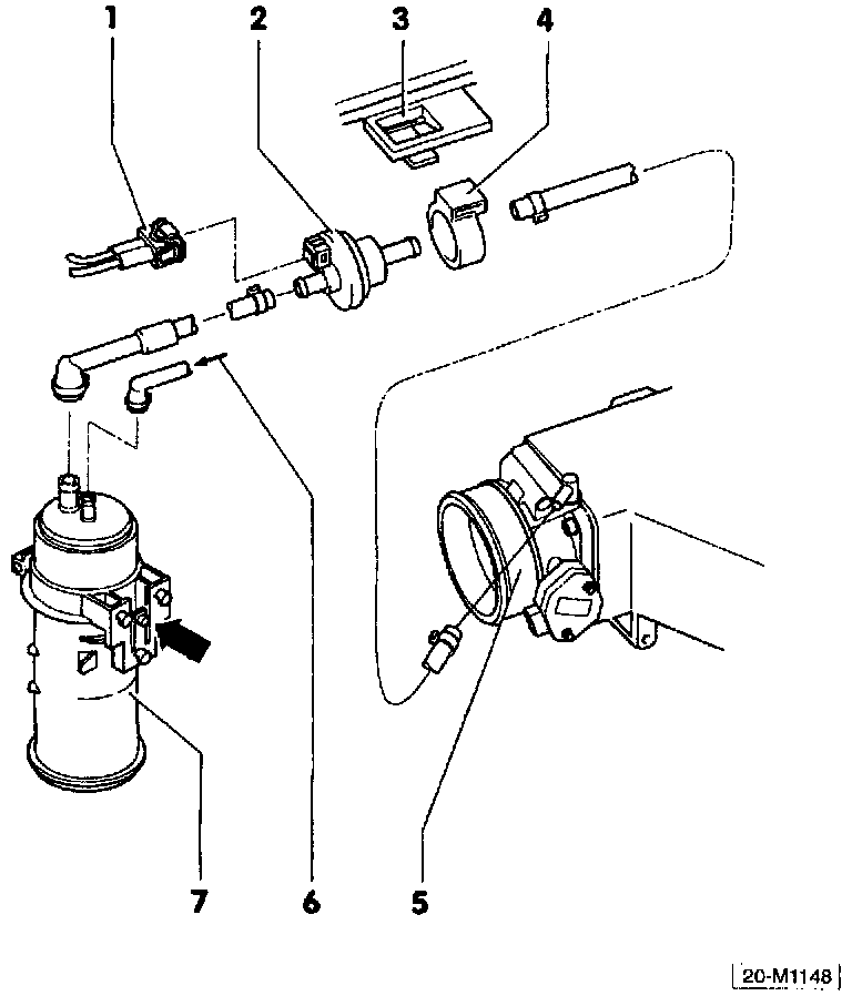
EVAP System



EVAP system components, servicing, Vehicles up to 1996

Note: From 08.95 to 10.95 vehicles were produced with a Leak Detection Pump (LDP) installed, but not activated. Beginning 11.95 the pump was no longer installed. The pump was then reintroduced for the 1997 model year

Evaporative Emission Components:






1. 2-pin harness connector
2. Evaporative Emission (EVAP) Canister Purge Regulator Valve -N8O-
3. Bracket on Air Cleaner (ACL) Housing, lower
4. Retainer
5. Throttle valve
6. From gravity valve
7. Evaporative Emission (EVAP) canister