Operation CHARM: Car repair manuals for everyone.
Manuals through 2025 now available!

Our trusted friends have launched a new website named LEMON, which has newer manuals. It also contains all the CHARM manuals.

LEMON is the spiritual successor to CHARM, I recommend you try it!

Link: lemon-manuals.la or lemon-manuals.org.ua

(Some people have issue connecting. LEMON is investigating. For now, use Firefox or change your DNS server)

Or, hide this message: temporarily or permanently

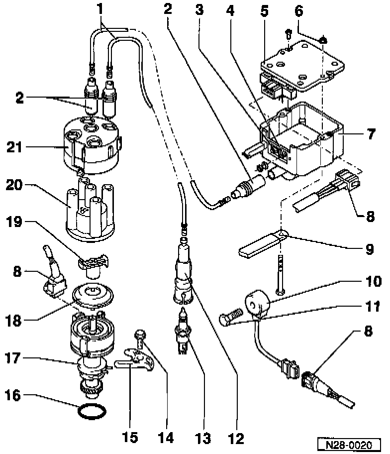
Ignition System: Description and Operation

Ignition System Components:





NOTE: Components Marked With An Asterisk (*) Are Checked Via The On Board Diagnostic Program.

1 Ignition wires
- Check For Continuity.
2 Suppressor
0.6-1.4 K Ohms
3 Terminal 1
4 Terminal 15
5 Ignition Coil Power Output Stage -N157-*
6 10 Nm (7 Ft Lb)
7 Ignition Coil -N152-
8 Connector
- 3-pin
9 Ground (GND) Strap
10 Knock Sensor (KS) 1 -G61-*
11 20 Nm (15 Ft Lb)
- Tightening Torque Influences Function Of Knock Sensor.
12 Sparkplug Connector
- Use 3277 When Disconnecting And Connecting.
- 4-6 K Ohms
13 Spark Plug
- 30 Nm (22 Ft Lb)
- Remove And Install With 3122B.
14 25 Nm (18 Ft Lb)
15 Clamp
16 O-ring
- Replace If Damaged
17 Camshaft Position Sensor -G4O-*
18 Dust Cap
19 Rotor Arm
- Marking: R1
- 0.6-1.4 K Ohms
20 Distributor Cap
- Check For Cracks And Signs Of Tracking
- Check Contact Wear
- Clean Before Installing
- Check Carbon Brush For Wear And Freedom Of Movement
21 Screening Cap