Operation CHARM: Car repair manuals for everyone.
Manuals through 2025 now available!

Our trusted friends have launched a new website named LEMON, which has newer manuals. It also contains all the CHARM manuals.

LEMON is the spiritual successor to CHARM, I recommend you try it!

Link: lemon-manuals.la or lemon-manuals.org.ua

(Some people have issue connecting. LEMON is investigating. For now, use Firefox or change your DNS server)

Or, hide this message: temporarily or permanently

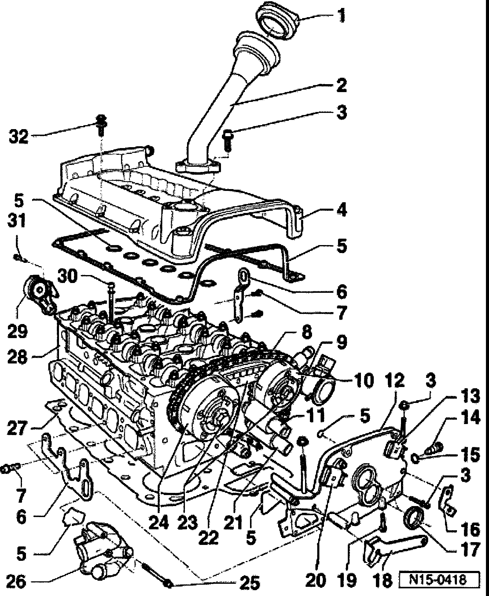
Torque



Cylinder Head Removing and Installing Specifications






Cylinder head warpage must not exceed: 0.05 mm

Cylinder head height Minimum: a = 139.9 mm

Loosen and unscrew cylinder head bolts in specified sequence.






Cylinder Head Bolts Tightening Sequence:

Threaded Connection Tightening Torque






Tighten All Bolts: Hand-tight

Tighten All Bolts To: 30 Nm

Then tighten all bolts to: 50 Nm

Then Turn All Bolts: 1/4 Rotation (90 °)

Then Turn All Bolts An Additional 1/4 Rotation (90 °)

Always Replace Cylinder Head Bolts

Cylinder Head Cover to Cylinder Head 10 Nm

Intake Manifold to Cylinder Head 25 Nm