Operation CHARM: Car repair manuals for everyone.
Manuals through 2025 now available!

Our trusted friends have launched a new website named LEMON, which has newer manuals. It also contains all the CHARM manuals.

LEMON is the spiritual successor to CHARM, I recommend you try it!

Link: lemon-manuals.la or lemon-manuals.org.ua

(Some people have issue connecting. LEMON is investigating. For now, use Firefox or change your DNS server)

Or, hide this message: temporarily or permanently

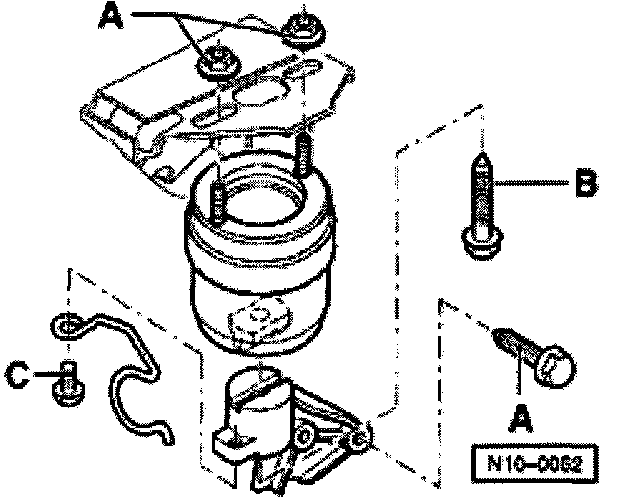
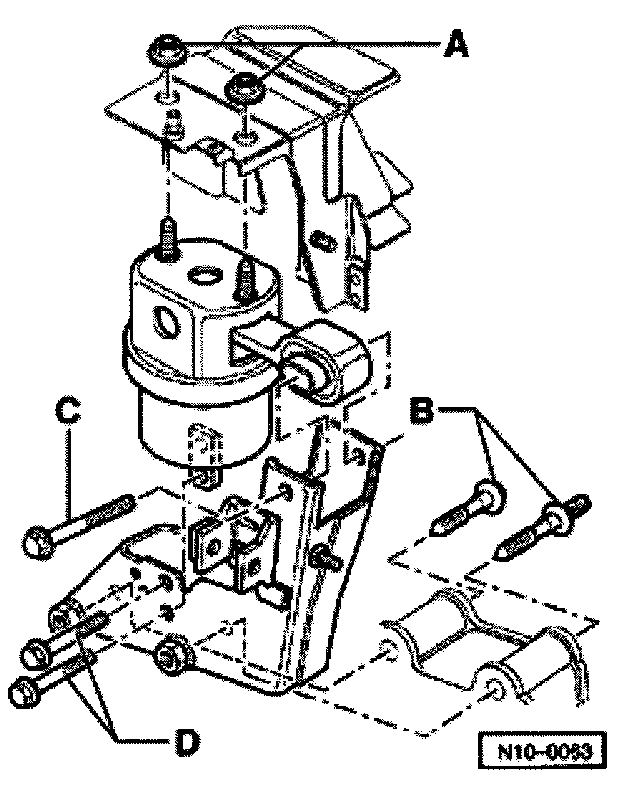
Engine Mount



Engine Tightening Specifications

Threaded Connection Tightening Torque

Subframe Mount Tightening Specifications

- (Bolts oiled)

Right subframe mount:






- A 55 Nm

- B 50 Nm
- + 1/4 rotation (90 °)

- C 10 Nm

Left subframe mount:






- A 55 Nm

- B 50 Nm
- + 1/4 rotation (90 °)

- C 50 Nm
- + 1/4 rotation (90 °)

- D 30 Nm

Pendulum support






1. Pendulum support to subframe (1) 200 Nm

(1) Replace bolts.